縱向撕裂開關 發布時間:2018-05-28 已獲點擊:135 詳細說明 HLSL-II縱向撕裂檢測器,撕裂開關 HLSL-II縱向" />

產品型號:HLSL-II
詳細說明
HLSL-II縱向撕裂檢測器,撕裂開關
HLSL-II縱向撕裂檢測器用于帶式輸送機膠帶縱向撕裂的保護。感知器采用攔索式結構,撕裂開關特點:結構簡單牢固,不需要維護,可多次反復使用鑄鋁外殼帶動防護層整體式蓋板,易于接線作用力只需要0.9Kg即可觸發開關與進口產品安裝尺寸一致。撕裂開關安裝與使用:隨著距離的增加,將全屬球從球窩中拉出所需要的力度應相應的也增大。因此應該考慮延伸另一端的安裝繩纜以及相應連接點的固定。第三個撕撕裂開關應安裝在一個撕裂檢測器的相應位置以有效的保護輸送帶輸送帶易損壞的部分局限在皮帶上的表面部位。這就導致當撕裂開關安裝在輸送皮帶的下表面下面時起步了作用。然而皮帶順壞的部分將露在回程皮帶的底面。為了檢測這種類型的皮帶損壞可將檢測器安裝在回程皮帶的下表面,這就是輸送帶提供可靠的保證。撕裂檢測器必須安裝在足夠的高以確保繩纜能保護整個皮帶截面。也就是說纜繩必須距皮帶下不表面足夠近的距離小于5cm,以能夠檢測中間以及邊緣部位。,安裝在膠帶的下面,當膠帶被異物劃漏,下落的物料或異物使鋼索受力,使脫扣裝置脫離開關體,FSZL-K縱向撕裂檢測器,縱向撕裂開關,FSZL-K縱向撕裂保護開關,皮帶機縱向撕裂保護開關,皮帶機撕裂檢測器,FSZL撕裂保護開關廠家銷售,縱向撕裂保護裝置用于檢測輸送帶本身,當皮帶輸送機入料存在銳器,使輸送帶從中間撕裂時自動報警并緊急停機。FSZL-K縱向撕裂保護開關適用于各種規格的帶式輸送機,對膠帶的縱向撕裂進行保護。膠帶的縱向撕裂是一種嚴重的事故,采用本裝置,可防止事故的擴大。撕裂保護裝置是參照國外進口樣機結合我國帶式輸送機現場環境研制成功的產品。性能可靠,防護等級高,完全適合在較惡劣的環境中工作。,開關送出報警信號。膠帶縱向撕裂屬于惡性事故,撕裂開關特點:結構簡單牢固,不需要維護,可多次反復使用鑄鋁外殼帶動防護層整體式蓋板,易于接線作用力只需要0.9Kg即可觸發開關與進口產品安裝尺寸一致。撕裂開關安裝與使用:隨著距離的增加,將全屬球從球窩中拉出所需要的力度應相應的也增大。因此應該考慮延伸另一端的安裝繩纜以及相應連接點的固定。第三個撕撕裂開關應安裝在一個撕裂檢測器的相應位置以有效的保護輸送帶輸送帶易損壞的部分局限在皮帶上的表面部位。這就導致當撕裂開關安裝在輸送皮帶的下表面下面時起步了作用。然而皮帶順壞的部分將露在回程皮帶的底面。為了檢測這種類型的皮帶損壞可將檢測器安裝在回程皮帶的下表面,這就是輸送帶提供可靠的保證。撕裂檢測器必須安裝在足夠的高以確保繩纜能保護整個皮帶截面。也就是說纜繩必須距皮帶下不表面足夠近的距離小于5cm,以能夠檢測中間以及邊緣部位。,任其發展將造成嚴重損失。本檢測器可以對膠帶運行進行連續監測,當縱向撕裂故障出現時,能及時發出停機信號,防止故障擴大。
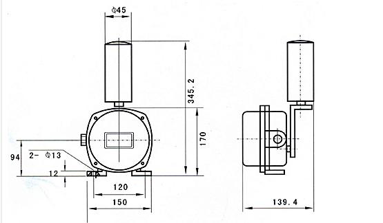
縱向撕裂檢測器HLSL-II性能指標
海拔高度:低于2000m
環境溫度:-40℃~+60℃
相對濕度:不大于95%(25℃時)
防護等級:IP67
消耗功率:不大于 5VA
輸出接點數量:兩組觸點(常開;常閉任選)
輸出接點容量:AC220V 5A DC30V 5A
可靠性:100000次
SR-LS-I雙向拉繩開關
SR-ZXL縱向撕裂開關
SR-PK-I兩級跑偏開關
PJZY-400-B兩級跑偏開關
GYLS-II雙向拉繩開關
TYPP-16-35兩級跑偏開關

我公司銷售的地區有:北京、天津、河北、山西、內蒙、遼寧、吉林、黑龍江上海、江蘇、浙江、安徽、福建、江西、山東、河南、山東、遼寧,吉林,浙江,安徽,福建,江西,山東,廣東,海南,四川,貴州,撕裂保護裝置用于皮帶出現撕裂、翟破、交結處損壞或者鋒利物凸出皮帶時,撕裂開關能給監視人員提供報警信號或關平輸送機電源。撕裂保護裝置工作原理:縱向撕裂檢測器是關為昂貴的皮帶提供可靠的保護,撕裂保護裝置可在眼帶出現撕裂,斷裂,重疊或尖銳物體劃破皮帶時,撕裂檢測器能給監視熱暖提供報價信號或關閉輸送機。撕裂檢測器成對安裝在傳送帶兩側,有兩段鋼絲繩連接(鋼絲繩為覆塑外套護層)。繩的一端永 固定在支撐托架上,防止繩纜丟失,另一端連接在撕裂開關的彈簧球上,兩段鋼繩在皮帶下面形成一個閉合回路,當物體或撕裂的皮帶懸吊下來,掃落到一條或兩條鋼絲繩時,彈簧球被拉出底座,撕裂開關發出報警信號或停機信號,事故處理完畢后,將彈簧球從新裝入底座,撕裂開關消除警報信號,簡便有效的為輸送皮帶可能出現的順壞提供可靠及穩定的報警,停機保護,撕裂檢測器盡管遠離簡單,但是起了相當重要的作用,堅固的殼體,重載結構、簡單的安裝方式,使的撕裂檢測器的任何惡劣環境下工作。,云南,陜西,甘肅,青海、重慶
自治區: 新疆維吾爾、烏魯木齊、廣西南寧、寧夏銀川、內蒙古呼和浩特、西藏、拉薩
北京 天津 河北 山西 內蒙古自治區
【東 北】 遼寧 吉林 黑龍江
【華 東】 上海 江蘇 浙江 安徽 福建、河北
石家莊、唐山、秦皇島、邯鄲、邢臺、保定、張家口、承德、滄州、廊坊、衡水
呼和浩特、包頭、烏海、赤峰、通遼、鄂爾多斯、呼倫貝爾、巴彥淖爾、烏蘭察布。
江西 山東
【中 南】 河南 山東 湖南 廣東 廣西壯族自治區 海南
【西 南】 重慶 四川 貴州 云南 西藏自治區
【西 北】 陜西 甘肅 青海 寧夏回族自治區 新疆維吾爾自治區
石家莊、唐山、秦皇島、邯鄲、邢臺、保定、張家口、承德、滄州、廊坊、衡水
Copyright © 山東卓信機械有限公司 版權所有 魯ICP備12019670號
全國服務電話:0537-2839666 傳真:0537-2228358 百度地圖 打滑開關
公司地址:山東省濟寧高新經濟技術開發區 音叉開關