撕裂檢測器 發布時間:2019-07-05 已獲點擊:60 詳細說明 縱向撕裂檢測器DSL1-A 撕裂開關用于帶式輸送機膠帶縱向" />

產品型號:DSL1-A
詳細說明
縱向撕裂檢測器DSL1-A
撕裂開關用于帶式輸送機膠帶縱向撕裂的保護。感知器安裝在膠帶下面,在膠帶被異物劃漏,破損情況下告警,膠帶縱向撕裂屬于惡性事故,任其發展將造成嚴重損失。
型號及含義

工作原理
縱向撕裂檢測器DSL1—A/B(感知器)由感知器和控制線路兩部分組成。感知器是縱向撕裂的檢測元件,當帶式輸送機輸送帶被異料穿透后,隨著輸送帶運行帶動異物使感知器受到擠壓,或當溜槽出料口與輸送帶之間因物料堵塞而擠壓布置在出料口的感知器時,感知器均能靈敏可靠的檢測出輸送帶撕裂信號并輸出開關量,發出停機信號。控制線路具有自鎖和延時功能。
控制箱面板設有報警指示燈,當輸送帶發生撕裂時,控制電路接收感知器檢測出的開關信號,發出報警和停機信號。
該裝置具備以下特點:
(1)安裝方便;
(2)控制線路設有延時繼電器,以免發生錯誤動作。延時可調,延時范圍1~5s;
(3)檢測元件感知器密封性較強,可在惡劣條件下使用;
(4)控制箱面板設有自校按鈕,按下自校按鈕時,可模擬現場故障,實現上述撕裂報警功能。
主要技術參數及指標

定貨須知
(1)定貨注明產品名稱、感知器型號、數量;
(2)本產品配有安裝支架,可單獨定貨。定貨時請注明輸送機型號、帶寬、托輥直徑及槽角。
安裝與接線
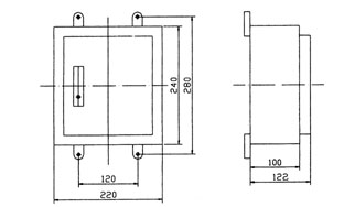
JDSL1系列縱向撕檢測器由控制箱和感知器組成,控制箱為戶外型,外型尺寸見圖1。

圖1控制箱外行尺寸
一臺控制箱可與4~6個感知器配套使用。感知器外形見圖2、圖 3。
5.1 JDLS1—A型感知器如圖2示,此感知器呈長條形結構,撕裂開關特點:結構簡單牢固,不需要維護,可多次反復使用鑄鋁外殼帶動防護層整體式蓋板,易于接線作用力只需要0.9Kg即可觸發開關與進口產品安裝尺寸一致。撕裂開關安裝與使用:隨著距離的增加,將全屬球從球窩中拉出所需要的力度應相應的也增大。因此應該考慮延伸另一端的安裝繩纜以及相應連接點的固定。第三個撕撕裂開關應安裝在一個撕裂檢測器的相應位置以有效的保護輸送帶輸送帶易損壞的部分局限在皮帶上的表面部位。這就導致當撕裂開關安裝在輸送皮帶的下表面下面時起步了作用。然而皮帶順壞的部分將露在回程皮帶的底面。為了檢測這種類型的皮帶損壞可將檢測器安裝在回程皮帶的下表面,這就是輸送帶提供可靠的保證。撕裂檢測器必須安裝在足夠的高以確保繩纜能保護整個皮帶截面。也就是說纜繩必須距皮帶下不表面足夠近的距離小于5cm,以能夠檢測中間以及邊緣部位。,可安裝在平行拖輥的帶式輸送機受料點,監測輸送帶的撕裂事故。亦可安裝在溜槽底部出料口處,見圖4。用于監測物料在輸送過程中溜槽出料口與輸送帶之間物料堵塞事故,發出事故信號。

5.2 JDSL1-B型感知器如圖3示,此感知器呈槽形結構,適用于槽形帶式輸送機,安裝在輸送機承載輸送帶下面,主要監測因物料穿透輸送帶所致的撕裂事故,發出事故信號,從而達到防止或減少輸送帶撕裂。
注:A、B型感知器可共用1個控制箱。
5.3 感知器的安裝
(1)A型感知器可安裝在卸料溜槽出料口處時,見圖4。在出料口上部自制簡易鉸接活動門(寬700×高400×厚8mm),通過鉸接固定在溜槽出料口上部。溜槽開口尺寸為(寬600×高400mm),活動門高度應不影響物料運輸。在活動門外20~30mm處安裝A型感知器,工作原理 由感知箱和控制箱兩大部分組成,感知器是縱向撕裂的檢測元件,當運行中膠帶撕裂時,感知器能可靠地檢測出來,并輸出一個開關量,控制箱接到感知器發出的信號,控制繼電器動作,輸出一個開關量給控制室實現自動緊急停機,同時面板告警指示閃爍,控制電路自鎖,為使控制線路恢復常態,可按動面板上的復位安鈕。此外面板上還裝有自校按鈕,當按下此鈕時,可模擬撕裂故障,檢驗控制系統的工作。 使用條件 1. 海拔高度低于2000m 2. 環境溫度:-35℃&mash;+60℃ 3. 相對濕度:不大于95 4. 防護等級:IP65 5. 供電電源:電控箱AC220V 50Hz 6. 輸出接點數量:一組轉換觸點 7. 輸出接點容量:AC220V 8. 絕緣電阻:≤20MΩ 9. 絕緣電壓:AC1000V試驗1分鐘 10. 可靠性:1000000次,撕裂開關設置在受料段膠帶下緩沖托輥之間按上安裝支架和撕裂開關、撕 裂開關的拉環要與膠帶邊緣同高,若高度不夠可在支架下加上墊鐵或槽鋼, 測好高度后再把支架與支座焊牢。 掛上攔索,一端穿過撕裂開關的拉環用索扣扣死,另一端穿過對方撕裂開 關支架中間的圓孔待用。安裝好兩只撕裂開關和掛兩條攔索,再加30度彎角處把兩條攔索扣在一起。收緊雙方支架中間孔內的攔索然后扣死索扣。 攔索的松緊,一般作用在0.9Kg既可觸發開關為宜。膠帶在苛載下沉時要與纜繩保持5mm-10mm即可。,撕裂開關特點:結構簡單牢固,不需要維護,可多次反復使用鑄鋁外殼帶動防護層整體式蓋板,易于接線作用力只需要0.9Kg即可觸發開關與進口產品安裝尺寸一致。撕裂開關安裝與使用:隨著距離的增加,將全屬球從球窩中拉出所需要的力度應相應的也增大。因此應該考慮延伸另一端的安裝繩纜以及相應連接點的固定。第三個撕撕裂開關應安裝在一個撕裂檢測器的相應位置以有效的保護輸送帶輸送帶易損壞的部分局限在皮帶上的表面部位。這就導致當撕裂開關安裝在輸送皮帶的下表面下面時起步了作用。然而皮帶順壞的部分將露在回程皮帶的底面。為了檢測這種類型的皮帶損壞可將檢測器安裝在回程皮帶的下表面,這就是輸送帶提供可靠的保證。撕裂檢測器必須安裝在足夠的高以確保繩纜能保護整個皮帶截面。也就是說纜繩必須距皮帶下不表面足夠近的距離小于5cm,以能夠檢測中間以及邊緣部位。,A型感知器固定在現場自制的機架上。當溜槽堵塞時,物料擠壓活動門,觸動感知器發出停機信號。

(2)、B型感知器為槽型,應安裝在帶式輸送機落料點緩沖托輥之間。見圖5、6。

Copyright © 山東卓信機械有限公司 版權所有 魯ICP備12019670號
全國服務電話:0537-2839666 傳真:0537-2228358 百度地圖 打滑開關
公司地址:山東省濟寧高新經濟技術開發區 音叉開關