品牌
自營品牌
應用領域
化學品檢測,石油/化工,地礦,能源,鐵路/船舶/交通
【詳細說明】
充電便攜式LED聲光報警器MTC-8EX
MTC-8EX充電便攜式聲光,采用節能全數字電路設計,配置新一代高亮LE發光體,可視距離達1000米(白色款可作照明燈使用,照明半徑30米)。長壽命大容量鋰電池,一次充滿可連續工作30個小時以上。裝配高性能警報喇叭,通過按鈕開關可觸發高分貝警調聲響(1米距離達95分貝)。底盤配置防氧化強磁性NFB磁鋼,能將燈體吸附在任何通磁表面上。全燈設計充分考慮野外作業需求,適應各種惡劣天氣條件下正常工作,具有防水、防塵、防震、耐高低溫度、抗腐蝕等特性。廣泛適用于市政工程、礦山工程、船舶、工廠設備檢修等現場的光信號和聲調的設置。
充電便攜式LED聲光報警器MTC-8EX
技術參數:
1、可視距離:≥1000米(濃煙濃霧穿透300~500米)
2、閃頻速度:60次/分鐘
3、控制方式:兩按鈕分別控制和聲音,按下工作再按關閉
4、充電方式:充電器AC220V
5、充電時間:2-3小時
6、工作時間:平均連續工作30小時以上
7、電池壽命:2年循環充放電≥500次
8、警調聲響度:≥95B,1米距離
9、磁鐵類型:釹鐵硼
10、燈體凈重:685g
11、防護等級:IP65
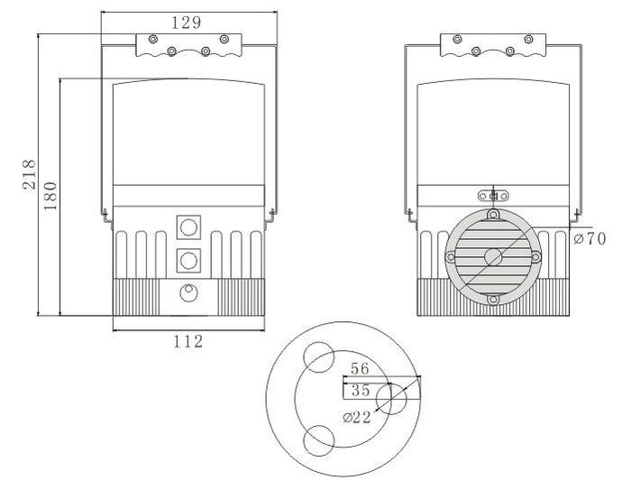
12、外型尺寸:直徑112mm,高度180mm


注意事項:
1.充電時充電器上指示燈亮紅色,充電完畢后充電器指示燈亮綠色。及時充電,燈光昏暗時即可以充電。完全停止使用時間不宜超過2個月。
2.為延長電池使用壽命,每次充電應盡量連續把電池充滿,每次放電時應盡量避免把電能用完。如電量耗盡,應在72小時內及時充電以避免電池壽命縮短甚至損壞。
3.不得將燈放置于火源及熱源附近使用。使用環境中有極可燃氣體或強酸、強堿氣體時,聲光報警器(又叫聲光警號)是一種用在危險場所,通過聲音和各種光來向人們發出示警信號的一種報警信號裝置。防爆聲光報警器適用于安裝在含有ⅡC級T6溫度組別的爆炸性氣體環境場所,還可使用于石油、化工等行業具有防爆要求的1區及2區防爆場所,也可以露天、室外使用。,請謹慎使用。
裝箱單:
MTC-8EX主燈一臺、電源適配器一個、說明書一份。
,安裝注意事項編輯 (1)報警器探頭主要是接觸燃燒氣體傳感器的檢測元件,由鉑絲線圈上包氧化鋁和黏合劑組成球狀,其外表面附有鉑、鈀等稀有金屬。因此,在安裝時一定要小心,避免摔壞探頭。聲光報警至少發聲設備,沒有探頭。 (2)報警器的安裝高度一般應在180cm以上,以便于維修人員進行日常維護。 (3)報警器是安全儀表,有聲、光顯示功能,應安裝在工作人員易看到和易聽到的地方,以便及時消除隱患。 (4)報警器的周圍不能有對儀表工作有影響的強電磁場(如大功率電機、變壓器)。 (5)被測氣體的密度不同,室內探頭的安裝位置也應不同。被測氣體密度小于空氣密度時,探頭應安裝在距屋頂30cm外,方向向下;反之,探頭應安裝在距地面30cm處,方向向上。
Copyright © 山東卓信機械有限公司 版權所有 魯ICP備12019670號
全國服務電話:0537-2839666 傳真:0537-2228358 百度地圖 打滑開關
公司地址:山東省濟寧高新經濟技術開發區 音叉開關