產地類別 國產
FJK-PPXLN防爆兩級跑偏開關當輸送帶運行中出現跑偏時,輸送帶觸碰開關立輥并使立輥偏轉,當立輥偏轉角度達到1級開關角度時,開關發出信號。當輸送帶跑偏嚴重,達到2級開關角度時,開關發出停機信號,實現輸送帶跑偏故障自動停機。當跑偏故障排除后,膠帶機正常運轉時,開關立輥可自動復位,回到初始狀態。
【詳細說明】
FJK-PPXLN防爆兩級跑偏開關基本原理
當輸送帶運行中出現跑偏時,輸送帶觸碰開關立輥并使立輥偏轉,當立輥偏轉角度達到1級開關角度時,開關發出信號。當輸送帶跑偏嚴重,達到2級開關角度時,開關發出停機信號, 兩級跑偏開關工作原理 兩級跑偏開關安裝在皮帶輸送機兩側、距離皮帶機首尾端部1~3m的地方。當皮帶跑偏時,皮帶邊緣壓向檔輪,迫使檔輪偏轉,使限位開關動作。為減少檔輪與皮帶的摩擦,檔輪的本體是由軸承制作的。 當發生輕微跑偏事故時(15°),兩級跑偏開關的第一組觸點動作,發出事故預告信號。 當發生嚴重跑偏事故時(30°),兩級跑偏開關的第二組觸點動作,可使輸送機自動停車。,實現輸送帶跑偏故障自動停機。當跑偏故障排除后,膠帶機正常運轉時,開關立輥可自動復位,回到初始狀態。

FJK-PPXLN防爆兩級跑偏開關產品簡介
跑偏開關有兩級角度,一般常用的是:角度為:10、12、20.二級角度為:30、35、45.
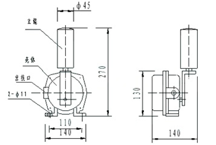
安裝和調整1.跑偏開關設在輸送帶兩側,立輥應與輸送帶邊平面垂直,跑偏開關(Belt Sway Switches)又稱防偏開關。兩級跑偏開關用于檢測帶式輸送機運行中的跑偏現象,按皮帶實際跑偏量輸出報警或停機信號,可有效的防止由皮帶跑偏而產生的事故。 跑偏開關起帶式輸送現場的保護作用,因此必須達到指定的IP防護等級。 兩級跑偏開關分兩個位置檢測輸送機皮帶的跑偏程度和扭曲程度。根據皮帶的跑偏程度和扭曲程度,實現自動報警和停機,避免昂貴的輸送皮帶受損壞及因皮帶扭曲造成的物料散落等事故。此開關安裝方便,運行可靠,是帶式輸送機必備的保護裝置之一。,并使輸送帶兩邊位于立輥高度1/3處。
2.跑偏開關立輥與輸送帶正常位置的間距宜為50~100mm。
3.跑偏開關數量應根據輸送機長度、類型及布置情況進行確定。一般應在輸送機頭部、尾部、凸弧段、凹弧段和在輸送機中間位置進行設置。(注:當輸送機較長時,在輸送機中間位置可每隔30~35米設1對)
4.跑偏開關應通過安裝支架與輸送機中間架連接,開關支架應在輸送機安裝完成后與輸送機機架,跑偏開關與跑偏開關支架用螺栓固定。

技術指標
1. 額定電壓:AC380V
2.額定電流:
3. 觸點數量:二組的常開、常閉接點
4.外殼防護級別:T型塵密外殼,使用與安裝:防偏開關可固定在輸送機縱梁頂部或底部,動作桿距皮帶邊緣約25mm。通常安裝在皮帶兩側距頭部或尾部0.3-2米的地方。當皮帶跑偏時,迫使動作桿偏離,觸動報警開關。兩級跑偏開關如果繼續偏離,觸動別一組開關,輸送機就會保護性停機。,防護等級IP67
5.周圍環境溫度:-25~80℃
6.開關能在頻率為10-60Hz,振幅為0.75mm(10g)的振動條件下工作
7.外形尺寸:殼體L×W×H(mm)190×135×100。
8.操作力:5~7㎏
9.通訊接口:RS485地址編碼 聯訊(對后綴BM的型號)
適用范圍
兩級跑偏開關用于常規皮帶輸送機:地下、索道支撐皮帶輸送機:輪船裝卸系統;堆垛/取料輸送機;傾斜和梭式輸送機;起重機、挖掘機,起重臂限位:裙邊給料機/輸送機:重型極限開關檢測膠帶的跑偏量,是實現膠帶機控制的自動和停機的保護裝置。廣泛用于冶金、煤炭、水泥建材、采礦、電力、港埠、冶金、化工等領域的各種帶式輸送設備。
接近開關LJA30-4015K-C24V-M
跑偏開關FJK-PPXLN C24V,1A
閥門反饋裝置FJK-HXXLN1 AC220V 1A
TXC1-2RJ堵煤信號沒控儀
NTS氣動閥反饋裝置 型號:NTS-140-85
跑偏開關XT-GF-KTB
粉塵防爆跑偏開關 型號:HFP-IP 額定電壓:380V 額定電流3A 防爆標志:IPA20TAT6
極限保護器HQQ-8967XC
聲光儀XT-C2QTL 380VAC
20V 雙向 手動復位不銹鋼拉繩開關材質304 型號HQLS-LXB-T1
拉繩開關;HFKLT2-Ⅱ皮帶拉繩開關整改用;手動復位式拉繩開關;電壓AC220V;三線制;帶一常閉、常開輔點
拉繩開關ZX-LSPMIP65
TBA-2磁性開關
HFKLT2-I-Z雙向拉繩開關
拉繩開關 TQ 441-01-01 380V 4A
HFKCT2-11雙向拉繩開關
Copyright © 山東卓信機械有限公司 版權所有 魯ICP備12019670號
全國服務電話:0537-2839666 傳真:0537-2228358 百度地圖 打滑開關
公司地址:山東省濟寧高新經濟技術開發區 音叉開關