產地類別 國產
耐腐蝕兩級跑偏開關JPK1S防爆型本產品由于安裝方便、開關性能可靠,在輸送機膠帶中廣泛應用 。本產品內部采用*儀器儀表防爆監督檢驗站(NEPSI)認可,符合GB12476.1-1990標準所規定的要求 。
【詳細說明】
濟南生產卓信牌耐腐蝕兩級跑偏開關JPK1S防爆型實惠
產品介紹:
兩級跑偏開關主要應用在冶金 、電力 、煤巖 、礦山及化工等行業的輸送系統中 ,安裝說明 1、兩級跑偏開關底座兩邊各有Ф12mm孔,在皮帶機旁角鐵架鉆Ф12mm孔,用M10×30mm螺絲緊固跑偏開關。 2、安裝跑偏開關應選擇輸送裝置易出現跑偏的位置處安裝,參考應用單位工藝要求,同時要考慮皮帶與擋輪的有效間距和推力,建議皮帶與檔輪間的安裝距離為120-160mm。 3、安裝距離:建議每50米安裝一對跑偏開關。 4、跑偏開關出廠時配有長度0.5米四芯橡套電纜,芯線上配有1、2、3、4線號,其中1、2為常開接點是一級報警信號,3、4為常閉接點是二級停機信號。,是輸送機自動化控制不可缺少的傳感元件,本產品可用于輸送機膠帶跑偏的檢測,防止由于膠帶跑偏而造成物料溢出等故障。本產品由于安裝方便、開關性能可靠,在輸送機膠帶中廣泛應用 。本產品內部采用*儀器儀表防爆監督檢驗站(NEPSI)認可,符合GB12476.1-1990標準所規定的要求 。

卓信牌耐腐蝕兩級跑偏開關JPK1S防爆型結構特性
采用鋁合金壓鑄殼體,跑偏開關(Belt Sway Switches)又稱防偏開關。兩級跑偏開關用于檢測帶式輸送機運行中的跑偏現象,按皮帶實際跑偏量輸出報警或停機信號,可有效的防止由皮帶跑偏而產生的事故。 跑偏開關起帶式輸送現場的保護作用,因此必須達到指定的IP防護等級。 兩級跑偏開關分兩個位置檢測輸送機皮帶的跑偏程度和扭曲程度。根據皮帶的跑偏程度和扭曲程度,實現自動報警和停機,避免昂貴的輸送皮帶受損壞及因皮帶扭曲造成的物料散落等事故。此開關安裝方便,運行可靠,是帶式輸送機必備的保護裝置之一。,強度高,重量輕,開關采用進口的行程開關,觸點容量大、動作靈敏,使用壽命長。密封性好,具有防塵、防震、防防腐等優點,外殼防護等級達IP65,可在惡劣的環境中長期工作。環境溫度:-30℃~+50℃;相對溫度:不大于85。
技術參數
極限角度:70度
觸點容量:AC380V
觸點數量:兩常開兩常閉
可靠性:>10度
復位方式:自動
防護等級:IP65
重量:3.5Kg

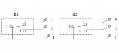
卓信牌接線方法
該產品配有1.5米六芯橡套電纜,芯線上配有標記號,用戶可根據線號接線,其中:
1、2為跑偏常開接點;
1、3為跑偏常閉接點;
4、5為二級跑偏常開接點;
4、6為二級跑偏常閉接點;

售前服務:
一、 提供技術咨詢:我們會在zui快的時間以內,根據您的需要為您提供任何技術及方面的咨詢及時對于您所關心的任何問題給予快速回復等等。
二、提供考察接待:我們歡迎您隨時隨地蒞臨公司現場考察,并為您提供任何便利條件。
智能非接觸式料位計CILM-AS-LS-QS;開關量輸出;220VAC
KS-80J-3450L接近開關
皮帶堵煤開關HLM-KH-B
膠帶撕裂保護裝置NST3-1400
二級跑偏開關KPT1-12-30 觸頭容量AC380V 3A
拉繩開關微動開關 LXW5-11N1
跑偏開關^HFKPT1-20-35
接近開關ZJK-2
防撕裂開關8LS3-J,AC250V ,
JJLK1-A-R485-TH-C24V
PK1-2B-R485-TH-IP67-C240V
跑偏開關PXB-200TG-/IP67
接近開關P1-25NK U:C10-36V I:200MA SN:25MM
電感式接近開關LJA30-4015K 220V 300
接近開關LJA30-4015KC24VM
跑偏開關FJK-PPXLN C24V,1A
閥門反饋裝置FJK-HXXLN1 AC220V 1A
,跑偏開關(Belt Sway Switches)又稱防偏開關。兩級跑偏開關用于檢測帶式輸送機運行中的跑偏現象,按皮帶實際跑偏量輸出報警或停機信號,可有效的防止由皮帶跑偏而產生的事故。 跑偏開關起帶式輸送現場的保護作用,因此必須達到指定的IP防護等級。 兩級跑偏開關分兩個位置檢測輸送機皮帶的跑偏程度和扭曲程度。根據皮帶的跑偏程度和扭曲程度,實現自動報警和停機,避免昂貴的輸送皮帶受損壞及因皮帶扭曲造成的物料散落等事故。此開關安裝方便,運行可靠,是帶式輸送機必備的保護裝置之一。
Copyright © 山東卓信機械有限公司 版權所有 魯ICP備12019670號
全國服務電話:0537-2839666 傳真:0537-2228358 百度地圖 打滑開關
公司地址:山東省濟寧高新經濟技術開發區 音叉開關