防爆兩級跑偏開關BKPT1-25-35外殼鑄鋁制造,內部采用進口元件,具有EXI的防爆性能,可以置放于任何惡劣環境中。由于BKPT1-25-35防爆兩級跑偏開關使用環境特殊,在使用半年后要進行一次維修。

【詳細說明】
防爆兩級跑偏開關BKPT1-25-35外殼鑄鋁制造,跑偏開關(Belt Sway Switches)又稱防偏開關。兩級跑偏開關用于檢測帶式輸送機運行中的跑偏現象,按皮帶實際跑偏量輸出報警或停機信號,可有效的防止由皮帶跑偏而產生的事故。 跑偏開關起帶式輸送現場的保護作用,因此必須達到指定的IP防護等級。 兩級跑偏開關分兩個位置檢測輸送機皮帶的跑偏程度和扭曲程度。根據皮帶的跑偏程度和扭曲程度,實現自動報警和停機,避免昂貴的輸送皮帶受損壞及因皮帶扭曲造成的物料散落等事故。此開關安裝方便,運行可靠,是帶式輸送機必備的保護裝置之一。,內部采用進口元件,具有EXI的防爆性能,可以置放于任何惡劣環境中。由于BKPT1-25-35防爆兩級跑偏開關使用環境特殊,在使用半年后要進行一次維修。
兩級跑偏開關概述
防爆兩級跑偏開關BKPT1-25-35是安裝在易爆環境下的皮帶運輸系統常用跑偏, 兩級跑偏開關安裝和調整 1.跑偏開關設在輸送帶兩側,立輥應與輸送帶邊平面垂直,并使輸送帶兩邊位于立輥高度1/3處。 2.跑偏開關立輥與輸送帶正常位置的間距宜為50~100mm。 3.跑偏開關數量應根據輸送機長度、類型及布置情況進行確定。兩級跑偏開關一般應在輸送機頭部、尾部、凸弧段、凹弧段和在輸送機中間位置進行設置。(注:當輸送機較長時,在輸送機中間位置可每隔30~35米設1對) 4.跑偏開關應通過安裝支架與輸送機中間架連接,開關支架應在輸送機安裝完成后與輸送機機架焊接,跑偏開關與跑偏開關支架用螺栓固定。,的預防皮帶跑偏造成物料溢出等故障。BKPT1-25-35防爆兩級跑偏開關外殼鑄鋁制造,內部采用進口元件,具有EXI的防爆性能,可以置放于任何惡劣環境中。由于BKPT1-25-35防爆兩級跑偏開關使用環境特殊,在使用半年后要進行一次維修。檢查緊固螺釘是否松動現象,立棍是否 轉動靈活,并清理積塵。
BKPT1型防爆兩級跑偏開關型號:
防爆兩級跑偏開關BKPT1-10-45
防爆兩級跑偏開關BKPT1-12-30
工作原理
當運行中的膠帶發生跑偏時,膠帶邊緣帶支立輥旋轉并擠壓立輥使之傾斜, 兩級跑偏開關工作原理 兩級跑偏開關安裝在皮帶輸送機兩側、距離皮帶機首尾端部1~3m的地方。當皮帶跑偏時,皮帶邊緣壓向檔輪,迫使檔輪偏轉,使限位開關動作。為減少檔輪與皮帶的摩擦,檔輪的本體是由軸承制作的。 當發生輕微跑偏事故時(15°),兩級跑偏開關的第一組觸點動作,發出事故預告信號。 當發生嚴重跑偏事故時(30°),兩級跑偏開關的第二組觸點動作,可使輸送機自動停車。,若立輥傾斜大于動作角度時,立即發出一組開關信號,如立輥繼續傾斜大于二級動作角度時,則輸出另一組開關信號,兩組開關信號可分別用于告警或停機,膠帶機恢復正常運行后,立輥自動復位。
結構特點
BKPT1型防爆兩級跑偏開關采用鋁合金壓鑄殼體,強度高,重量輕;外殼防護等級達IP67,可以在惡劣環境中長期工作;機內采用進口元件,觸點容量大,動作靈敏、可靠。
BKPT1-10-45防爆兩級跑偏開關使用與安裝
將跑偏開關固定在支架上,然后在膠帶機架上;立輥軸線與膠帶平面相垂直,立輥與膠帶邊緣距離為L=50 100 mm;膠帶位于立輥下端1/3處;每50M膠帶可安裝跑偏開關一對。
接線方式
BKPT1-10-45防爆兩級跑偏開關出廠時已配長度為1.0米電纜線,接線方式參照標牌所標線色。

BKPT1-10-45防爆兩級跑偏開關技術參數:
型號/參數
動作
角度
極限
角度
觸電數量
觸點
容量
防護
等級
復位
方式
可靠性
重量(KG)
二級
常開
常閉
BKPT1-12-30
12?
30?
70?
2
2
AC380V
IP67
自動
>10?
3..5
BKPT1-10-45
10?
45?
BKPT1-25-35
25?
35?
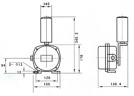
BKPT1-12-30防爆兩級跑偏開關外形及安裝尺寸圖解:

Copyright © 山東卓信機械有限公司 版權所有 魯ICP備12019670號
全國服務電話:0537-2839666 傳真:0537-2228358 百度地圖 打滑開關
公司地址:山東省濟寧高新經濟技術開發區 音叉開關