【詳細說明】
兩級跑偏開關KBW-200P 觸點容量200V/
HFKPT2系列兩級跑偏開關系我公司組織科研人員開發研制的新一代產品,可用于輸送機膠帶跑偏的檢測,防止由于膠帶跑偏而造成物料溢出等故障。是輸送機自動化控制不可缺少的傳感元件。本產品由于安裝方便、開關性能可靠,在輸送機膠帶中廣泛應用。
山東卓信電氣有限公司坐落于人杰地靈、九省通衢的山東省黃岡市,這里人才輩出、四面環省、交通四通八達,物流方便快捷。我們山東卓信擁有*高端的技術團隊、而精湛的生產工藝、科學合理的管理模式、方便快捷的物流運輸、近乎*的售后保證,兩級跑偏開關是我公司組織科研人員開發研制的新一代產品,可用于輸送機膠帶跑偏的檢測,防止由于膠帶跑偏而造成物料溢出等故障。是輸送機自動化控制不可缺少的傳感元件。 兩級跑偏開關由于安裝方便、開關性能可靠,在輸送機膠帶中得到廣泛應用。跑偏開關又稱防偏開關。 兩級跑偏開關用于檢測帶式輸送機運行中的跑偏現象,按皮帶實際跑偏量輸出報警或停機信號,可有效的防止由皮帶跑偏而產生的事故。 本系列兩級跑偏開關具有兩級動作功能。一級動作用于報警,二級動作用于自動停機。膠帶機在運行中,當膠帶跑偏且與本開關立輥接觸時,立輥自轉,若跑偏量繼續加大,則擠壓立輥發生偏移。 當立輥偏轉角度超過12°時,一級開關動作,輸出(報警信號)。 當立輥偏轉角度超過30°時,二級開關動作,輸出(停機信號)。 一級開關信號用于報警,如果將此信號與跑調整裝置相接,即可實現不停機狀態下的跑偏自動調整。 二級開關信號用于停機,將此信號接至控制線路中,即可實現重度跑偏狀態下的自動停機。 當故障排除后,膠帶離開立輥正常運轉時,立輥可自動復位。 兩級跑偏開關為了適應戶外條件下長期使用,本產品均采用整體密封,內部金屬零件進行鍍鋅純化處理,外部零件除殼體外均做多層光亮鍍鉻,殼體為鑄鋁制造,表面采用靜電噴涂技術處理,適宜在惡劣環境下使用。 ,傾力打造山東省的電氣產品制造企業。你還在猶豫什么,如果你對某款產品感興趣的話,趕快公司的進行咨詢或訂購吧!
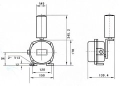
兩級跑偏開關KBW-200P 觸點容量200V/結構特點
1.本產品采用鋁合金鑄造殼體、強度高、重量輕。
2.外殼防護等級達到IP65,可在惡劣環境下長期工作。
3.本產品動作靈敏、穩定性高、性能可靠,外形結構參見下圖
兩級跑偏開關KBW-200P 觸點容量200V/安裝示意圖
主要用途及適用范圍
HFKPT2系列兩級跑偏開關系我公司組織科研人員開發研制的新一代產品,可用于輸送機膠帶跑偏的檢測,防止由于膠帶跑偏而造成物料溢出等故障。是輸送機自動化控制不可缺少的傳感元件。本產品由于安裝方便、開關性能可靠,在輸送機膠帶中廣泛應用。
技術性能和主要參數
產品型號 HFKPT1―□―□ 開關觸點數量
1級為常開、2級為常閉 觸點容量 AC 220V 380V ≤
開關動作角度
1級:10⪚ 12⪚ 20⪚; 2級:30⪚ 35⪚ 45⪚ ;
極限角度≤60⪚ 工作環境 相對濕度:≤90(25℃);
海拔高度:2000M;工作溫度:-30~+40℃
外殼材料 鋁 防護等級 IP65 重量(kg) 2.0
接口方式
單出線口,本系列跑偏開關具有兩級動作功能。一級動作用于報警,二級動作用于自動停機。膠帶機在運行中,當膠帶跑偏且與本開關立輥接觸時,立輥自轉,若跑偏量繼續加大,則擠壓立輥發生偏移。 當立輥偏轉角度超過12°時,一級開關動作,輸出(報警信號)。 當立輥偏轉角度超過30°時,二級開關動作,輸出(停機信號)。 一級開關信號用于報警,如果將此信號與跑調整裝置相接,即可實現不停機狀態下的跑偏自動調整。 二級開關信號用于停機,將此信號接至控制線路中,即可實現重度跑偏狀態下的自動停機。 當故障排除后,膠帶離開立輥正常運轉時,立輥可自動復位。 兩級跑偏開關為了適應戶外條件下長期使用,本產品均采用整體密封,內部金屬零件進行鍍鋅純化處理,外部零件除殼體外均做多層光亮鍍鉻,殼體為鑄鋁制造,表面采用靜電噴涂技術處理,適宜在惡劣環境下使用。 兩級跑偏開關采用鋁合金精密壓鑄殼體、強度高、重量輕; 外殼防護等級達IP65, 密封性好,防水、防塵,可在惡劣環境中長期工作; 觸點容量大、動作靈敏、可靠,也可定做雙出線口。
產品安裝使用注意事項
1.產品外殼設有接地端子,用戶在安裝使用時可靠接地。
2.安裝現場應不存在對鋁合金有腐蝕作用的有毒氣體。
3.產品的維修在場所進行,或當現場確認無可燃性粉塵存在時方可進行。
產品售后服務
我公司是正規,凡在我公司購買的產品,自購買之日起,質保一年,如因為人為因素造成的產品損壞,不在質保范圍內。請參照產品使用說明書,進行安裝使用,產品上有明確的接線圖,安裝說明 1、兩級跑偏開關底座兩邊各有Ф12mm孔,在皮帶機旁角鐵架鉆Ф12mm孔,用M10×30mm螺絲緊固跑偏開關。 2、安裝跑偏開關應選擇輸送裝置易出現跑偏的位置處安裝,參考應用單位工藝要求,同時要考慮皮帶與擋輪的有效間距和推力,建議皮帶與檔輪間的安裝距離為120-160mm。 3、安裝距離:建議每50米安裝一對跑偏開關。 4、跑偏開關出廠時配有長度0.5米四芯橡套電纜,芯線上配有1、2、3、4線號,其中1、2為常開接點是一級報警信號,3、4為常閉接點是二級停機信號。,請按產品接線圖接線,如在使用中有任何問題,可本公司,我廠交竭誠為您服務,選擇卓信,選擇品質。
以服務贏市場、以品質贏關注、以誠信贏客戶。用的心,做的事、努力為客戶創造價值。為制造商創造市場、為代理商經銷商創造利潤。我們會做到誠信經營.以高質量的產品.的服務面向廣大客戶.歡迎廣大客戶前來訂購!
4.本拉繩開關外殼保持清潔,粉塵堆積厚度不大于3mm。
訂貨須知
1、注明型號、數量、供貨日期。
2、對開關觸點數量有特殊要求時應予以注明。
3、覆塑鋼絲繩及繩夾子、托繩環、安裝支架。需單獨訂購。
注:訂購時應予以注明。
Copyright © 山東卓信機械有限公司 版權所有 魯ICP備12019670號
全國服務電話:0537-2839666 傳真:0537-2228358 百度地圖 打滑開關
公司地址:山東省濟寧高新經濟技術開發區 音叉開關