料流檢測器 發布時間:2019-04-21 已獲點擊:80 詳細說明 皮帶輸送保護裝置料流檢測器DC-LW10 本機" />

產品型號:DC-LW10
發布時間:2019-04-21
已獲點擊:80
詳細說明
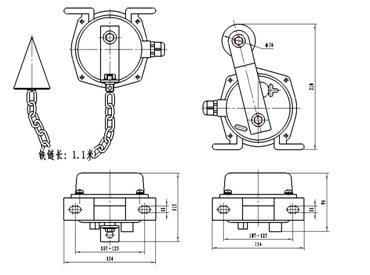
本機用于膠帶運輸機輸送物料的檢測,可發出有載運行信號。如有灑水裝置連接,LLKG系列料流開關是專門用來檢測傳輸帶上是否有物料或是否有物料流量的自動化儀器。該料流開關采用對環境適應性強的智能感應傳感器檢測,料流開關具有不接觸物料不接觸皮帶、無磨損、不怕灰塵不怕水、維護工作少、經久耐用等特點。配接測速傳感器可作為物料流量開關。該料流開關產品包含了三引線和兩引線,AC220V供電和C24V供電的多種產品。料流開關廣泛用于發電、水泥、化肥、煤礦等行業的輸送線上。,可實現對物料的自動灑水功能。本裝置也可適用于對向運行的膠帶機。山東卓信料位開關生產廠家,料流檢測開關,接觸式料流開關,LLKG系列料流開關是專門用來檢測傳輸帶上是否有物料或是否有物料流量的自動化儀器。該料流開關采用對環境適應性強的智能感應傳感器檢測,料流開關具有不接觸物料不接觸皮帶、無磨損、不怕灰塵不怕水、維護工作少、經久耐用等特點。配接測速傳感器可作為物料流量開關。該料流開關產品包含了三引線和兩引線,AC220V供電和C24V供電的多種產品。料流開關廣泛用于發電、水泥、化肥、煤礦等行業的輸送線上。,非接觸式料流傳感器。
本開關采用有載式檢測,運行中的膠帶加載后膠帶下沉,LLKG系列料流開關是專門用來檢測傳輸帶上是否有物料或是否有物料流量的自動化儀器。該料流開關采用對環境適應性強的智能感應傳感器檢測,料流開關具有不接觸物料不接觸皮帶、無磨損、不怕灰塵不怕水、維護工作少、經久耐用等特點。配接測速傳感器可作為物料流量開關。該料流開關產品包含了三引線和兩引線,AC220V供電和C24V供電的多種產品。料流開關廣泛用于發電、水泥、化肥、煤礦等行業的輸送線上。,安裝在膠帶下的檢測觸輪受壓并通過杠桿傳動使機內開關動作,輸出一組開關信號。

技術指標
觸點數量:2個常開,2個常閉
觸點容量:24-380V AC/DC 電流1:5A
防護等級:IP55
可靠性:106次 有良好的抗震動性;有較好的防水性。

結構特點
1.適用于膠帶較窄、帶速較慢的傳送帶檢測;
2.鑄鋁外殼,重量輕,硬度高;
3.采用行程開關,使用壽命長。
雙向拉繩開關LSKG
DC-LR30雙向拉繩開關
DC-LG30不銹鋼拉繩開關
DC-LR40-A雙向拉繩開關
DC-PR20兩級跑偏開關
DC-PR30兩級跑偏開關
DC-PG40不銹鋼兩級跑偏開關
DC-LW10料流檢測控制器
DC-LW20料流檢測器
DC-LW30料流檢測器
,料流開關產品如屬質量問題,請及時與我們取得聯系,不屬人為損壞,我們會于第一時間為你處理,予以退換,運費我們承擔,不屬質量問題的產品或因個人主觀問題,保持原配件完整,物品完好,料流開關不影響我們第二次銷售,概可退回,來去運費自理,在退貨之前請與我們聯系,不與我們聯系私自退回,我們概不受理,特別訂做的產品不退不換,不接受任何形式的到付。注:請務必看清以上協議,有任何異議和意見請在購買之前提出協議當您在購買商品后即刻起效。做為旺旺證據。親,每個商品所標郵費僅供參考,具體郵費咨詢店主,大的用物流到付,小的用快遞,如果購買多件的按實際重量收取運費!您拍下后我們會合并運費再通知您付款的!
Copyright © 山東卓信機械有限公司 版權所有 魯ICP備12019670號
全國服務電話:0537-2839666 傳真:0537-2228358 百度地圖 打滑開關
公司地址:山東省濟寧高新經濟技術開發區 音叉開關