拉繩開關 發布時間:2014-11-19 已獲點擊:511 品牌/商標:MCTUERCK 詳細說明 X" />

產品型號:XLLS-II、DLX-K2/J、XLLS-I
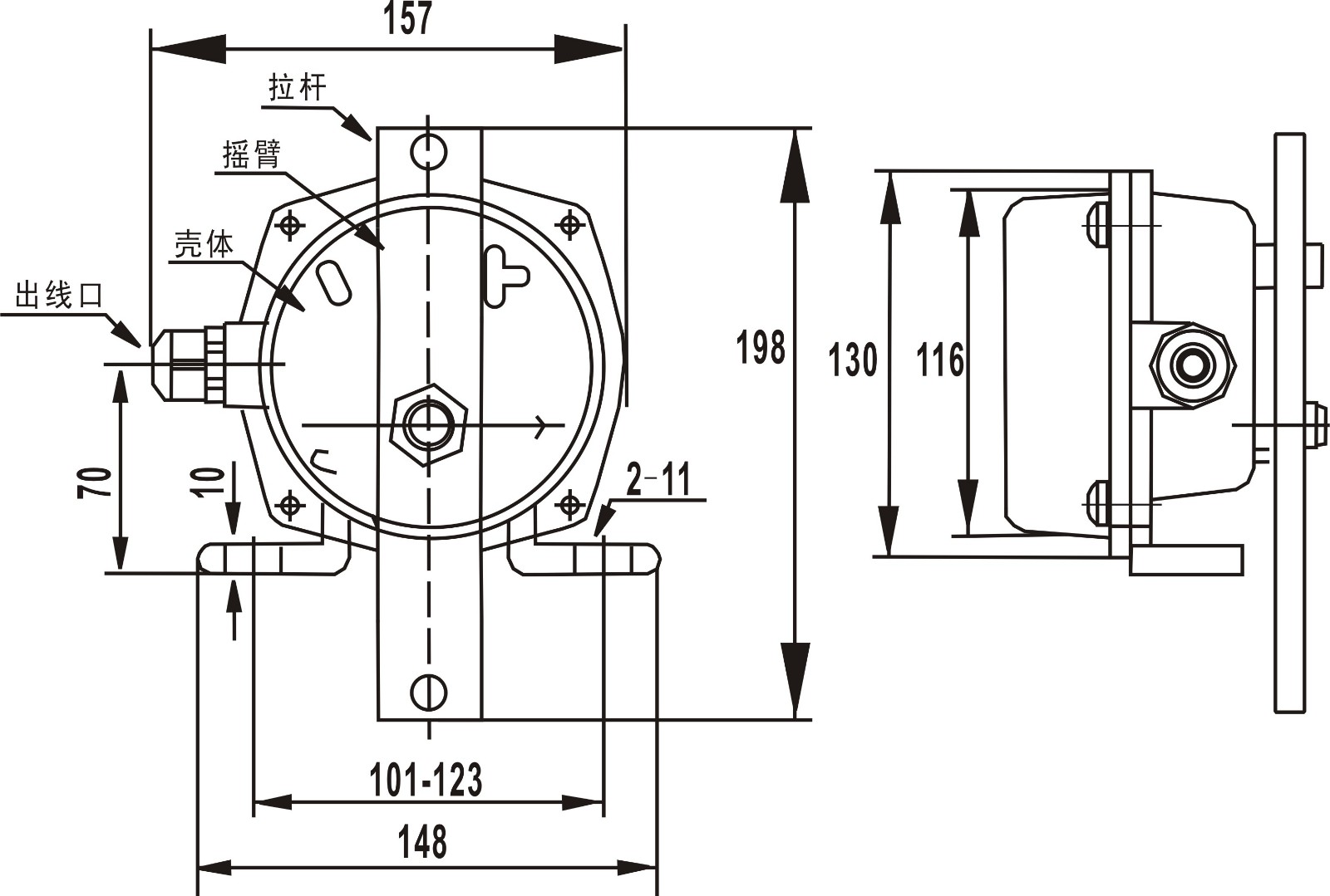
詳細說明
XLLS-I雙向拉繩開關為自動復位型拉繩開關。防護等級達到IP67,能完全防止粉塵的進入和水流侵蝕。開關安裝于皮帶輸送機兩側,用鋼絲繩把開關連接起來。當輸送帶設備發生緊急事故時,在現場沿線任意處拉動鋼絲繩,鋼絲繩牽動驅動臂旋轉,通過傳動軸帶動扭力彈簧使精密凸輪發生位移,驅動微動開關切斷控制線路,輸送機停止運行。松開鋼絲繩,開關觸點自動恢復到原始設定位置。
結構特點
山東卓信公司拉繩開關采用國際領先的銅管技術結構使產品更加精密耐用,避免了開關動作時傳動軸直接摩擦殼體,造成間隙增大,出現密封不嚴或者卡死的情況,大幅延長開關使用壽命。
此開關具有操作方便,不需要人為看管的特點。
應用行業:
XLLS-I自動復位型拉繩開關廣泛用于冶金、煤炭、水泥、采礦、電力、港埠、化工等領域的各種專門從事散料輸送的輸送設備。如常規皮帶輸送機 ,往復式輸送機 ,群邊式給料輸送機 ,拉繩開關用于帶式輸送機發生事故時,能緊急停止輸送機的一種開關,當發生緊急事故或需要檢修而停機時,可于沿線任意位置拉動鋼絲繩,使輸送機停機。拉繩開關防護等級可達IP67,采用進口微動開關, “微動開關”達到100萬次,采用國際領先的國際結構避免了開關動作時傳動軸直接摩擦殼體或軸套,造成間隙增大,造成密封不嚴或卡死的情況,大幅延長拉繩開關使用壽命;傳動軸采不繡鋼材質強度高,表面光滑;殼體表面精工烤漆,不易脫落無異味;操作桿精鑄成型,避免焊接,內置銅質襯套,整體光潔強度高等等。雙向拉繩開關具有壽命長、靈活實用、安全可靠、檢修方便等特點。當維修人員沒有撒離或存在其它異常情況時,只要將雙向拉繩開關開關鎖定停機位置,就不用擔心膠帶機被誤啟動,維修人員的安全就有了保障。雙向拉繩開關表面經特殊處理后可用于酸、碘、鹽區域,鍍鎳表面用于強腐蝕區域。,斗式輸送機 ,包裝生產線 ,堆料/取料系統,起重機,拉繩開關用于帶式輸送機發生事故時,能緊急停止輸送機的一種開關,當發生緊急事故或需要檢修而停機時,可于沿線任意位置拉動鋼絲繩,使輸送機停機。拉繩開關防護等級可達IP67,采用進口微動開關, “微動開關”達到100萬次,采用國際領先的國際結構避免了開關動作時傳動軸直接摩擦殼體或軸套,造成間隙增大,造成密封不嚴或卡死的情況,大幅延長拉繩開關使用壽命;傳動軸采不繡鋼材質強度高,表面光滑;殼體表面精工烤漆,不易脫落無異味;操作桿精鑄成型,避免焊接,內置銅質襯套,整體光潔強度高等等。雙向拉繩開關具有壽命長、靈活實用、安全可靠、檢修方便等特點。當維修人員沒有撒離或存在其它異常情況時,只要將雙向拉繩開關開關鎖定停機位置,就不用擔心膠帶機被誤啟動,維修人員的安全就有了保障。雙向拉繩開關表面經特殊處理后可用于酸、碘、鹽區域,鍍鎳表面用于強腐蝕區域。,挖掘機,輪船裝卸系統 ,水平給料機等.
拉繩開關內部結構圖

安裝方式:
拉繩開關應安裝在輸送機兩邊具有檢修通道的地方,安裝位置應確保檢修人員在緊急情況下操作方便。
1、將拉繩開關固定在安裝支架上。
2、一側的兩臺開關之間距離為40m左右,采用直徑為Φ4的包塑鋼絲繩連接,松緊應適度。
3、為減小鋼絲繩自重對開關復位的影響,每隔2.5m在機架上裝一個托環,以支撐鋼絲繩。
4、鋼絲繩的另一端系在拉簧上(用繩扣固定),在不影響正常使用下用緊線器將兩側拉繩張緊,并確保兩側張力均衡。
(注:對于爬坡段輸送機機.應盡量縮短開關間距及拉繩長度。)
拉繩開關安裝示意圖

保養和注意事項:
1、布線時使用外徑為8~12mm的電纜
2、開關內裝有兩個微動開關,接線時確定所需要的端子
3、本產品出廠前已調整完檢測角度,雙向拉繩開關注意事項 1.產品外殼設有接地端子,用戶在安裝使用時必須可靠接地。 2.安裝現場應不存在對鋁合金有腐蝕作用的有毒氣體。 3.產品的維修必須在安全場所進行,或當現場確認無可燃性粉塵存在時方可進行。 4.本拉繩開關外殼必須保持清潔,粉塵堆積厚度不大于3mm。 雙向拉繩開關,拉線開關,安全開關,急停開關, HFKL-11, HFKL-II,KLT2-1,KLT2-2,KLT2-I,KLT2-II,HFKLT2-I、HFKLT2-II、HFKLT2-1、HFKLT2-2 KLT2、HFKLT2-Z2、雙向拉繩開關HFKLT2-P-II雙向平衡拉繩開關。,若需調整請確認微動開關動作是否正常
4、拉繩開關控制桿若附著大量的灰塵或者凝固是要及時清理
Copyright © 山東卓信機械有限公司 版權所有 魯ICP備12019670號
全國服務電話:0537-2839666 傳真:0537-2228358 百度地圖 打滑開關
公司地址:山東省濟寧高新經濟技術開發區 音叉開關