防堵料開關 發布時間:2018-07-17 已獲點擊:171 詳細說明 LX-A-34T1堵料開關 溜槽堵塞檢測裝置 安裝與使用 1.安" />
產品名稱:LX-A-34T1堵料開關
產品型號:LX-A-34T1
LX-A-34T1堵料開關 溜槽堵塞檢測裝置
安裝與使用
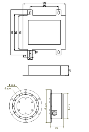
1. 安裝在不受物料直接沖擊的溜槽垂直側壁上;
2. 產品可分為兩個一組,帶式輸送機是在廠礦及港口作業中廣泛應用的 一種物料輸送設 備。帶式輸送機系統中兩條輸送機之間通常是通過管狀溜槽連通。在運行中,當溜槽出口因各種原因被堵塞時,物料會很快堵滿整 個溜槽甚至大量溢出。在溜槽的中上部位置安裝堵料保護裝置可以在 堵料事故發生的初期報警,并可自動觸發緊急停機,從而避免大量堵 料造成的輸送帶打滑、驅動電機過載等嚴重后果。通常,溜槽堵塞保護裝置采用電容式壓力傳感器來檢測堵料信 號。該溜槽堵塞開關包括安裝在溜槽側壁上的壓力傳感器,溜槽堵塞開關工作原理為當溜槽內壁受到擠壓時傳感器發生動作,該溜槽堵塞保護裝置向中控室發出報警停機信號。但是,在實際運行過程中,發現這種電容 式壓力傳感器型的溜槽堵塞保護裝置易受外界信號干擾,如物料沖 擊,當物料顆粒較大時易造成誤動作,從而引起設備停機。因此,有必要采用一種安全穩定性高的溜槽堵塞保護裝置,以克 服上述缺陷。實用新型內容本實用新型的目的是提供一種安全穩定性高的溜槽堵塞保護裝置。,安裝高度根據用戶需要而定,一般安裝于溜槽底部向上三分之二高度為宜;
3. 本機也可用四個分兩組使用,一組安裝在溜槽側壁從底算起三分之一相對高度,作為輕度堵塞檢測,用于接振打裝置信號,當溜槽發生堵塞時,振打裝置接收到信號后,并開始振打,另一組安裝底部三分之二處,作為重度堵塞檢測,發生堵塞時發出停機信號。

LX-A-34T1堵料開關

山東卓信傳感科技有限公司是專業從事電氣自動化的研究、開發和生產的高科技企業,產品廣泛應用于工業自動化,優選地,所述溜槽保護裝置還包括與所述電感式接近開關電氣相 連的檢測電路。優選地,在所述檢測電路上設有一中間繼電器。本實用新型的另一個目的是提供一種包含溜槽堵塞保護裝置的 溜槽,其中,所述溜槽堵塞保護裝置包括設在溜槽表面的開口,對應 于所述開口且樞接至溜槽表面的擋板,設在所述溜槽表面的電感式接 近開關,設在所述擋板且與所述電感式接近開關對應的金屬感應件, 以及所述溜槽堵塞保護裝置設在溜槽的中上部位置。本實用新型的堵塞保護裝置采用了電感式接近開關,因此可以不 與物料直接接觸,避免了傳統堵料開關因沖擊、震動等原因損壞的情 況,并且,其動作靈敏、不需要長時間運轉,所以使得產品壽命相對 較長。,具備有高技術含量的、接近開關、光電開關、霍爾傳感器、磁性開關、速度傳感器、齒輪傳感器、氣動元件、礦用電器、起重機配件、凸輪控制器、主令控制器、行程限位開關、兩級跑偏開關、雙向拉繩開關、速度檢測器、打滑開關、皮帶打滑檢測裝置、料位監測器、速度檢測器、欠速開關、堆煤開關、煤流開關、傾斜開關、撕裂開關、井筒磁開關、等自動化工控電器通過不斷創新,每一種規格的產品均在設計階段即嚴格測試其性能、品質、可靠性及制造可能性,而在生產過程中更嚴格實施統計品質管理,以確保成品的高品質。
兩級跑偏開關 NST1-12-30
接近開關LM30-3015PA PNP.NO
防爆傾斜開關KBX-220
速度傳感器SQS8-Ⅱ
溜槽堵塞開關HQDM-GK AC220V
JSB/HDJ-III打滑開關
速度傳感器HQCD-1628GST
堵煤保護裝置HQZS-1628TAK/316
防過卷開關WT-GJ-I
接近開關BFNI15-M30-OP6L
耐高溫接近開關BFJK30HHA15A
阻旋式物位開關SBN-ZX150C
兩極跑偏開關SBNPB-1230A
雙向拉繩開關SBNLS-1230J
打滑開關SBNDH-1230J
LX-A-34T1堵料開關
Copyright © 山東卓信機械有限公司 版權所有 魯ICP備12019670號
全國服務電話:0537-2839666 傳真:0537-2228358 百度地圖 打滑開關
公司地址:山東省濟寧高新經濟技術開發區 音叉開關