KBW-220P防爆兩級跑偏開關使用與安裝化工廠跑偏開關銷售
由于產品型號眾多,我司各種電氣規格型號齊全,有任何需求可以與我公司銷售人員聯系,生產各種規格型號的跑偏開關、拉繩開關、傾斜開關、打滑開關、失速開關、溜槽堵塞開關、聲光報警器、限位開關、磁性開關、撕裂開關、料流開關等產品,產品適用范圍廣,用途多,產品銷售國內外100多個國家和地區,銷售電話:15163766288(微信同號)
KBW-220P防爆兩級跑偏開關
KBW-220P防爆兩級跑偏開關使用與安裝
應用范圍:
常規皮帶輸送機
地下、索道支撐皮帶輸送機
輪船裝卸系統
堆垛、取料輸送機
傾斜和梭式輸送機
起重機/挖掘機起重臂限位
裙邊給料機/輸送機
結構特點:
通用的安裝設計可使跑偏檢測裝置隨意安裝在輸送機縱梁頂部或底部位置;封閉、防腐、堅固的鑄鋁外殼。防護標準IP65,可在惡劣環境長期工作;不需要在拆除動作桿下,跑偏開關起帶式輸送現場的保護作用,因此必須達到指定的IP防護等級。 兩級跑偏開關分兩個位置檢測輸送機皮帶的跑偏程度和扭曲程度。根據皮帶的跑偏程度和扭曲程度,實現自動報警和停機,避免昂貴的輸送皮帶受損壞及因皮帶扭曲造成的物料散落等事故。此開關安裝方便,運行可靠,是帶式輸送機必備的保護裝置之一。,即可拆掉蓋板進行維修;進口動作桿軸承,DDP-LJ2兩級跑偏開關適用于皮帶輸送機,能使皮帶輸送機在皮帶跑偏將導致嚴重掛邊磨損甚至發生撕裂事故前就發出報警信號以及進一步的自動停車。
能及時有效的保護設備安全、避免事故擴大化,達到保障生產、保護設備的目的。另外由于信號可發送至控制系統,方便實現工廠自動化控制,因此又可達到減員增效,集中控制,利于生產與調度的目的。,可長時在轉速4000轉/分下運作;動作角度12⪚時警示觸點動作,動作角度30⪚時,即為停機信號輸出。
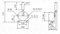
技術參數:
開關觸點容量:AC 380V 10A
外殼:鑄鋁防水,防腐
防護等級:IP65
動作角度:12⪚ 警示信號,二級30⪚ 停機信號;
作用力(kg)3
特殊選件:
不銹鋼蓋板螺絲
不銹鋼動作桿及不銹鋼立輥
可選配安裝支架
可增加開關觸點個數
接線方式:
本機出廠時已配長度為1.0米電纜線,
接線方式參照標牌所示線色。
BW-220P防爆兩級跑偏開關使用與安裝:
防偏開關可固定在輸送機縱梁頂部或底部,動作桿距皮帶邊緣約25mm。通常安裝在皮帶兩側距頭部或尾部0.3-2米的地方。當皮帶跑偏時,跑偏開關起帶式輸送現場的保護作用,因此必須達到指定的IP防護等級。 兩級跑偏開關分兩個位置檢測輸送機皮帶的跑偏程度和扭曲程度。根據皮帶的跑偏程度和扭曲程度,實現自動報警和停機,避免昂貴的輸送皮帶受損壞及因皮帶扭曲造成的物料散落等事故。此開關安裝方便,運行可靠,是帶式輸送機必備的保護裝置之一。,迫使動作桿偏離,跑偏開關起帶式輸送現場的保護作用,因此必須達到指定的IP防護等級。 兩級跑偏開關分兩個位置檢測輸送機皮帶的跑偏程度和扭曲程度。根據皮帶的跑偏程度和扭曲程度,實現自動報警和停機,避免昂貴的輸送皮帶受損壞及因皮帶扭曲造成的物料散落等事故。此開關安裝方便,運行可靠,是帶式輸送機必備的保護裝置之一。,觸動警示開關。如果繼續偏離,觸動別一組開關,輸送機就會保護性停機。KBW-220P防爆兩級跑偏開關使用與安裝

KBW-220P防爆兩級跑偏開關使用與安裝
![]() |









