卓信營銷XLLS-I、XLLS-II防爆雙向拉繩開關輸送機保護拉繩開關
由于產品型號眾多,我司各種電氣規格型號齊全,有任何需求可以與我公司銷售人員聯系,生產各種規格型號的跑偏開關、拉繩開關、傾斜開關、打滑開關、失速開關、溜槽堵塞開關、聲光報警器、限位開關、磁性開關、撕裂開關、料流開關等產品,產品適用范圍廣,用途多,產品銷售國內外100多個國家和地區,銷售電話:15163766288(微信同號)
山東卓信營銷XLLS-I、XLLS-II防爆雙向拉繩開關
XLLS-I,XLLS-II緊急急停拉線開關,山東卓信電氣有限公司生產,現貨,質保一年,量大價優
雙向拉繩開關系我公司組織科研人員開發研制的新一代產品,可用于膠帶運輸機現場。當發生緊急事故時,便啟動本機使運輸機立即停機防止事故的擴大。本產品由于安裝方便、開關性能可靠,在膠帶運輸機中廣泛應用。
XLLS-I,XLLS-II緊急急停拉線開關技術參數:
1.使用環境條件
a.環境溫度:-30℃~70℃
b.相對濕度不大于85
XLLS-I,XLLS-II緊急急停拉線開關結構特點:
1.本產品采用鋁合金鑄造殼體、強度高、重量輕。
2.外殼防護等級達到IP65,可在惡劣環境下長期工作。
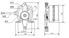
3.本產品動作靈敏、穩定性高、性能可靠,外形結構參見圖2。
卓信營銷XLLS-I、XLLS-II防爆雙向拉繩開關

XLLS-I,XLLS-II緊急急停拉線開關工作原理當膠帶運輸機現場發生緊急事故時,可拉動系于擺臂上的鋼絲繩,使擺臂旋轉而帶動機內凸輪并感應微動開關,拉繩開關是一種開關型傳感器(即無觸點行程開關),雙向拉繩開關主要用于常規皮帶輸送機、梭式輸送機、裙邊式給料輸送機、斗式提升機,包裝生產線、堆料/取料系統,起重機、挖掘機、輪船裝卸系統、水平給料機等設備現場緊急事故停車的一種保護裝置。當緊急事故發生時,在現場沿線任意處拉動拉繩開關,均可發出停機信號,實現對人身及設備的保護作用。因為雙向拉繩開關既有行程開關、微動開關的特性,雙向拉繩開關同時又具有傳感性能,并且動作可靠、性能穩定、頻率響應快、使用壽命長、抗干憂能力強、防水、防震、耐腐蝕等特點。雙向拉繩開關廣泛應用于機械、礦山、紡織、印刷、化工、冶金、輕工、閥門、電力、保安、鐵路、交通、水泥、港口碼頭等行業使用的帶式輸送機輸送系統中。,發出停機信號。
XLLS-I,XLLS-II緊急急停拉線開關廣泛用于鋼鐵、水泥、電廠、礦山等具有帶式輸送機的廠礦,雙向拉繩開關動作可靠、性能穩定、頻率響應快、使用壽命長、抗干憂能力強、防水、防震、耐腐蝕等特點。,該產品安裝在膠帶輸送機兩側,雙向拉繩開關產品出廠時開關觸點數量為一開一閉,如需兩常開、兩常閉,請定貨時注明; 安裝支架,塑鋼絲繩、卡頭、托環等附件用戶可向我公司成套訂購,雙向拉繩開關主要應用在冶金、電力、煤巖、礦山及化工等行業的輸送系統中,雙向拉繩開關是輸送機自動化控制不可缺少的傳感元件,本產品是一種膠帶運輸機現場緊急事故停機的保護裝置。本產品選用優質鋁錠合金精密壓鑄,并采用進口行程開關。雙向拉繩開關具有強度高,重量輕,密封性好,產品使用壽命長等優點。,是用于膠帶輸送機緊急事故停機的一種保護開關,在開關操作距離內任何一點拉動鋼絲繩,切斷運行電路使全線停機,實現對膠帶機及人身的保護。 當膠帶運輸現場發生緊急事故時,拉動系在吊耳上的鋼絲繩,是機內的滑塊與開關作用,發出停機信號。

本產品帶自鎖保護,在事故排除后按下限位桿方能復位;使用壽命長;密封性好,具有防塵、防震、防腐等優點;機殼采用鑄鋁鑄造,雙向拉繩開關YF-BLKT-II采用國際領先的不銹鋼雙軸承傳動結構避免了開關動作時傳動軸直接摩擦殼體或軸套,造成間隙增大,出現密封不嚴或者卡死的情況,大幅延長雙向拉繩開關使用壽命;殼體表面精工烤漆,不易脫落無異味;傳動軸采用不銹鋼材質強度高,雙向拉繩開關表面光滑;操作桿精鑄成型,避免焊接,內置銅質襯套,整體光潔強度高等等。BLKT-II雙向拉繩開關具有壽命長、靈活實用、安全可靠、檢修方便等特點。當維修人員沒有撤離或尚存在其它異常情況時,只要將拉繩開關鎖定在停機位置,就不用擔心膠帶機被誤啟動,維修人員的安全也就有了保障。卓信電氣是一家主要生產輸送設備全套產品的生產廠家,主營雙向拉繩開關,兩級跑偏開關,打滑開關,溜槽堵塞開關,縱向撕裂開關、料流檢測器、傾斜開關,井筒開關,氣缸磁性開關,防爆磁性開關、接近開關,光電開關。,重量輕、硬度強。
![]() |









