JYB/RC-A打滑檢測帶速顯示裝置說明

【詳細說明】
很榮幸為你介紹JYB/RC-A打滑檢測帶速顯示裝置說明:
打滑檢測帶速顯示用途
為了防止膠帶運輸機在運行過程中,非接觸欠速(打滑)開關是一種經濟、可靠性強、對軸轉速及其它旋轉裝置簡單通用的監測裝置。當監測到當前轉速信號低于或高于正常轉速范圍開關輸出一組開關信號,以供報警或停機。外殼采用防水防塵設計可直接安裝在惡劣環境中使用。非接觸接近探測器,壽命長、維護費用低,兩螺栓固定,確保安裝簡單,一體化結構,集中的控制裝置,設定或故障檢修簡單,無運動部件、無磨損、安全壽命長。,膠帶與主動滾筒之間的打滑或超、低速可能造成的事故,JYB/RC-A膠帶機打滑檢測裝置既可對各種規格型號膠帶機不同帶速進行打滑檢測,又可作為超,低速警示
技術參數:
輸出觸點:4常開4常閉
觸點容量:AC220V/2A
供電電源:AC 220V
測速精度:0.1m/s
測速范圍:0&mash;10m/s
起動延時:0-20s
采樣形式:觸輪式
防護等級:IP65
通訊接口:RS-485(符合MOBUS協議) (用戶選配)
通訊距離:雙絞線1.2公里,光纜50公里
JYB/RC-A打滑檢測帶速顯示裝置說明
設備描述:
傳感器及電控箱分別采用鑄件及鋼板結構,使用單片機及紅外線檢測技術,傳感器按裝在皮帶機任何部位,觸輪隨運行的膠帶轉動,紅外線檢測電路輸出脈沖信號,非接觸欠速(打滑)開關是一種經濟、可靠性強、對軸轉速及其它旋轉裝置簡單通用的監測裝置。當監測到當前轉速信號低于或高于正常轉速范圍開關輸出一組開關信號,以供報警或停機。外殼采用防水防塵設計可直接安裝在惡劣環境中使用。非接觸接近探測器,壽命長、維護費用低,兩螺栓固定,確保安裝簡單,一體化結構,集中的控制裝置,設定或故障檢修簡單,無運動部件、無磨損、安全壽命長。,一路進入數顯單元,經轉換后顯示與觸輪轉速對應的帶速,另一路與速度繼電器內部單穩振蕩器所設定的振蕩頻率比較后,相應的高低電平,來驅動執行繼電器,從而達到檢測的目的。用戶通過面板按鈕自行調整參數,該保護裝置具有反應速度快,打滑開關:DH-3、DH-III、XT-SS-ID、XT-SS-1、XLDH-II、JDK-1、QDH-III、DH03E-1-W、SJK-1、SWEB001-2S/K、 BDH-III、MSD-3、DH02E-1-W、YHSJ-J、XT-SS-II、DH-LLI、GHLL-II、JDK-2、YHDH-2、XLDH-I、DH-II、SJK-01、YB/RDC-B、RH60-JC、YHSJ-II、YHSJ-I、XD-SS-II、XL-SJ-I、JYB-RDC-C、DH03E-1-W、ZXDH-III、XTD-SH、DH-I、SMS-PXK-B1、DH01E-1-W、XDH-HL、XLDH-F-S、SMS-PXK-BI、DHJY-II、SJK-I、QDH-II、KBJ-220Y、DH-1、DH02E-1-TH、DH-LLI、KGS-II、KGS-12S、DH-2、JYB/RDC-C、9SFAB-3HD、DH01E-1-TH、EXDH-III、XT-SS-1D、RH60-JC(DH-X、DH-F2、DH-SJ)、XT-SS-III、HQSK600/10,產品名稱:打滑檢測器,打滑開關,皮帶機專用打滑開關,輸送帶速度檢測器可用于DH02E-1-WW輸送皮帶運行速度的監測,當被監測的運輸皮帶的運行速度低于預先設定值時,它能發出報警或停機信號,可有效地避免事故的發生和擴大。打滑開關可應用于冶金、煤炭、礦山、水泥、電力、糧食等行業的皮帶運輸機中,是物料輸送系統中實現自動控制所不可缺少的監控裝置。,誤差小,帶速直接顯示,調整方便等優點。
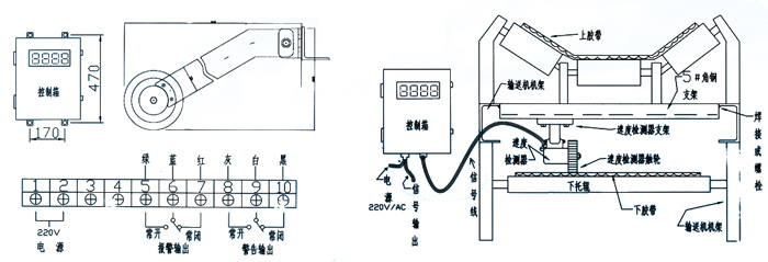
打滑檢測帶速顯示安裝與接線圖

以上是JYB/RC-A,售后我公司有技術指導,如有不明之處,可或,會向你解釋JYB/RC-A及安裝與接線圖。
Copyright © 山東卓信機械有限公司 版權所有 魯ICP備12019670號
全國服務電話:0537-2839666 傳真:0537-2228358 百度地圖 打滑開關
公司地址:山東省濟寧高新經濟技術開發區 音叉開關