打滑檢測裝置 發布時間:2015-12-11 已獲點擊:453 品牌/商標:TUERKE 詳細說明 紅外線帶速顯示裝置" />
產品型號:DH-5
紅外線帶速顯示裝置DH-5優質供應商
紅外線帶速顯示裝置DH-5工作原理:DH-5檢測器通過觸輪與膠帶緊密的接觸,當觸輪和運動的膠帶以線速度運動時,本裝置內部檢測傳感器由紅外線收發光源不斷遮擋,輸出脈沖信號,由光電隔離后進入計數單元,同時又反映膠帶的實際帶速。膠帶的運動信息通過紅外線光電傳感器輸入單片機脈沖信號,單片機接到信息后進行運算判斷處理,對運行的膠帶失速情況進行監控,打滑開關HQZS-001SPT/D是一種費用低。可靠性強、對軸轉速及其他旋轉裝置簡單通用的監測裝置。打滑開關放置在防風雨的密封、抗腐蝕外殼內,允許暴露在惡劣環境中工作。非接觸接近探測器,壽命長、維護費用低.兩螺栓固定,確保安裝簡單一體化結構,集中的控制裝置,設定或故障檢修簡單無運動部件、無磨損、安全壽命長。打滑開關啟動延遲,旋轉設備起動過程中尚未達到工作速度時,10秒鐘延遲報警。,當運行的膠帶速度低于正常速度的25-30%,發出一開關信號,非接觸欠速(打滑)開關是一種經濟、可靠性強、對軸轉速及其它旋轉裝置簡單通用的監測裝置。當監測到當前轉速信號低于或高于正常轉速范圍開關輸出一組開關信號,以供報警或停機。外殼采用防水防塵設計可直接安裝在惡劣環境中使用。非接觸接近探測器,壽命長、維護費用低,兩螺栓固定,確保安裝簡單,一體化結構,集中的控制裝置,設定或故障檢修簡單,無運動部件、無磨損、安全壽命長。,用戶可利用這一開關信號在自己的控制網絡實現失速停機,防止由膠帶打滑而造成的生產事故。
紅外線帶速顯示裝置DH-5使用條件及技術參數
1、海拔高度低于2000m
2、環境溫度:-35℃――+60℃
3、相對濕度:不大于95%
4、大氣壓力:80――110kpa
5、防護等級:IP67
6、工作位置:安裝在改向滾筒上或帶式輸送機上膠帶下面
7、在膠帶機起車或停機過程中檢測器自行延時,帶速正常開始檢測。
8、輸出接點數量:一常開一常閉一組轉換接點
9.動作方向:雙向
概述:以微電腦芯片為核心的DH-5型打滑檢測器,適用于檢測帶式輸送機在運行中出現的膠帶與主動滾筒之間打滑,防止打滑所造成的惡性事故,由于應用了電腦芯片和8421撥碼開關,所以檢測器的可靠性及檢測精度大大提高,用戶可按所設帶速要求自行設定,并實現啟動過程延時或啟動過程自適應方式,使檢測器更穩定,更可靠。
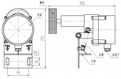
紅外線帶速顯示裝置DH-5安裝方法
1.本裝置安裝時,打滑開關是一種經濟、可靠性強、對軸轉速及其他旋轉裝置簡單通用的監測裝置,當檢測到目前轉速信號低于或高于正常轉速范圍,開關輸出一組開關信號,以供報警或停機。打滑開關無運動部件、無磨損、安全壽命長,一體化結構,集中的控制裝置,設定或故障檢修簡單。外殼彩用防水防塵的設計兩螺固定殼體,可直接安裝在惡劣環境中使用。面板操作說明打滑開關是氣動元件、礦用電器、接近開關、光電開關、霍爾傳感器、磁性開關、速度傳感器、齒輪傳感器、兩級跑偏開關、雙向拉繩開關、打滑開關、皮帶打滑檢測裝置、料位監測器、速度檢測器、打滑開關、堆煤開關、煤流開關、傾斜開關、撕裂開關、皮帶輸送裝置控制柜、聲光報警器等工控電器,集開發、制造、銷售與一體。,可按下述要求并滿足現場使用條件安裝在帶式輸送機上膠帶的下面,安裝后應保證膠帶有料情況下使打滑檢測器與膠帶面平行,同時膠帶無料運轉時檢測器觸輪與膠帶面應可靠接觸,且安裝位置保證在振動最小和膠帶抖動最小的地方。
2.安裝要保證觸輪軸線和膠帶平行,且運動方向同膠帶運行方向平行。
3.用戶可根據膠帶機尺寸高度配置安裝支架,安裝時保證觸輪和膠帶面在彈性范圍內,即支架和膠帶面垂直即可。具體安裝見安裝示意圖。

服務宗旨:信譽第一、貨真價實、服務優質、交易公平、互惠互利、共同發展
我們所追求的是:
1.全面的產品,使客戶有多樣選擇,及滿足所有的需要,不致東拼西湊來完成所有的采購需求。
2.良好的品質,使客戶銷售出去的產品有信心,避免了因為小零件的配套而整體退貨。
3.合理的價格,市場機制合理,打滑開關HQZS-001SPT/D工作原理盤隨膠帶運行而旋轉時,傳感器的磁感應信號輸入到控制電路中去,經放大、整形后進行計數。其計數值與預置數比較,判斷膠帶機的帶速,即:正常速度、打滑或超速等。同時,執行電路輸出相應的開關信號。當觸輪隨膠帶機運行而旋轉時帶動機內的脈沖盤,在脈沖盤旋轉時引起的磁感應信號的變化輸入到速度傳感器的控制電路中,經電路放大、比較、整形后進行計數。其計數值與預置數比較,判斷膠帶的帶速,同時執行電路輸出相應的開關信號。既:在達到低于打滑速度時執行電路輸出相應的開關信號,使主機停機。,使得產品銷售的性價比得以提高。
4.準時的交期,配合客戶的需求,以避免客戶因為零組件的延誤交貨而錯失商機。
5.專業的技術,從事打滑開關17年的生產經驗,及國外大廠OEM生產技術來支持客戶的需求。
6.親切的服務,自開始建立供銷關系,直至后續的產品服務,我們非常樂意提供服務
(以上絕非口號!而是敝公司積極落實在產品及客戶之間,且已在國內外建立了相當良好的口碑!)
Copyright © 山東卓信機械有限公司 版權所有 魯ICP備12019670號
全國服務電話:0537-2839666 傳真:0537-2228358 百度地圖 打滑開關
公司地址:山東省濟寧高新經濟技術開發區 音叉開關