打滑檢測器 發布時間:2018-08-05 已獲點擊:138 品牌/商標:JIEHANG/杰航 企業類型:制造商 新" />
產品型號:SDJK-I,SDJK-II、DH-II、XLDH

SDJK-I打滑開關、SDJK-II速度打滑檢測器、皮帶打滑檢測裝置
SDJK-I、SDJK-II、XLDH-I、XLDH-II、XLDH-III、XLDH-F-I、XLDH-F-II、XLDH-F-III、XLDH-F-A、XLDH-F-S、打滑開關
概述:
打滑(速度)檢測器是我公司在采用速度繼電器的基礎上,打滑開關HQZS-001SPT/D是一種費用低。可靠性強、對軸轉速及其他旋轉裝置簡單通用的監測裝置。打滑開關放置在防風雨的密封、抗腐蝕外殼內,允許暴露在惡劣環境中工作。非接觸接近探測器,壽命長、維護費用低.兩螺栓固定,確保安裝簡單一體化結構,集中的控制裝置,設定或故障檢修簡單無運動部件、無磨損、安全壽命長。打滑開關啟動延遲,旋轉設備起動過程中尚未達到工作速度時,10秒鐘延遲報警。,改進研制的帶式輸送機失速保護裝置.該裝置的核心器件采用微型計算機芯片,是一種技術含量很高,功耗特低的智能檢測器。它對能對膠帶機工作過程中膠帶速是否正常,進行準確的監控,它比以前的打滑檢測器更加穩定、可靠。
主要用途:
打滑檢測器是一種費用低、可靠性好、對膠帶速度及其它旋轉裝置簡單通用的速度監測裝置。失速開關放置在防風雨的密封、抗腐蝕外殼內,允許暴露在惡劣環境下。 用于檢測帶式輸送機在運行中出現的膠帶與從動滾筒之間打滑,防止打滑所造成的惡性事故。
工作原理:
檢測器通過觸輪與膠帶緊密的接觸,當觸輪和運動的膠帶以線速度運動時,本裝置內部檢測傳感器由紅外線收發光源不斷遮擋,工作原理:DH系列非接觸打滑開關是通過檢測其探頭處電容的周期性變化工作的。如果被傳動軸、輪的端面或圓周面存在“不平整處",只要將打滑開關探頭對著有不平整處的部位安裝即可;如果找不到“不平整處"(軸、輪的端面平整且圓周面均勻光滑),只需在軸、輪的檢測處人為制造“不平整點"(在被檢測的面上加貼一小塊薄金屬片)即可。當電動機轉動時,通過轉動裝置驅使被傳動軸、輪轉動,打滑開關檢測到探頭電容周期變化時保持閉合狀態。當設備發生卡轉、堵轉、皮帶打滑、傳動帶脫落等故障時,被傳動軸將慢轉或停轉,打滑開關檢測到探頭電容的變化周期明顯變長,此周期如超過正常變化周期的兩倍之多,打滑開關將由閉合狀態轉為斷開。打滑開關如按“設備保護接線參考圖"接線時,可用來保護設備;如按“檢測轉動/停轉接線參考圖"接線時,可用來檢測“轉動"。,輸出脈沖信號,由光電隔離后進入計數單元,同時又反映膠帶的實際帶速。膠帶的運動信息通過紅外線光電傳感器輸入單片機脈沖信號,工作原理:DH系列非接觸打滑開關是通過檢測其探頭處電容的周期性變化工作的。如果被傳動軸、輪的端面或圓周面存在“不平整處",只要將打滑開關探頭對著有不平整處的部位安裝即可;如果找不到“不平整處"(軸、輪的端面平整且圓周面均勻光滑),只需在軸、輪的檢測處人為制造“不平整點"(在被檢測的面上加貼一小塊薄金屬片)即可。當電動機轉動時,通過轉動裝置驅使被傳動軸、輪轉動,打滑開關檢測到探頭電容周期變化時保持閉合狀態。當設備發生卡轉、堵轉、皮帶打滑、傳動帶脫落等故障時,被傳動軸將慢轉或停轉,打滑開關檢測到探頭電容的變化周期明顯變長,此周期如超過正常變化周期的兩倍之多,打滑開關將由閉合狀態轉為斷開。打滑開關如按“設備保護接線參考圖"接線時,可用來保護設備;如按“檢測轉動/停轉接線參考圖"接線時,可用來檢測“轉動"。,單片機接到信息后進行運算判斷處理,對運行的膠帶失速情況進行監控,產品名稱:打滑檢測器,打滑開關,皮帶機專用打滑開關,輸送帶速度檢測器可用于DH02E-1-WW輸送皮帶運行速度的監測,當被監測的運輸皮帶的運行速度低于預先設定值時,它能發出報警或停機信號,可有效地避免事故的發生和擴大。打滑開關可應用于冶金、煤炭、礦山、水泥、電力、糧食等行業的皮帶運輸機中,是物料輸送系統中實現自動控制所不可缺少的監控裝置。,當運行的膠帶速度低于正常速度的20-30%,發出一開關信號,用戶可利用這一開關信號在自己的控制網絡實現失速停機,防止由膠帶打滑而造成的生產事故。
整體結構可以安裝在膠帶機的任意位置,具有觸輪與膠帶無磨損、反映速度快、精度高、誤差小、安裝調整方便等特點。
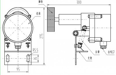
外型結構:
打滑(速度)檢測器主要有觸輪、傳動腔、連接體、后腔、支架等組成。

SDJK-I打滑開關、SDJK-II速度打滑檢測器、皮帶打滑檢測裝置
Copyright © 山東卓信機械有限公司 版權所有 魯ICP備12019670號
全國服務電話:0537-2839666 傳真:0537-2228358 百度地圖 打滑開關
公司地址:山東省濟寧高新經濟技術開發區 音叉開關