打滑檢測裝置 發布時間:2019-03-13 已獲點擊:85 詳細說明 卓信電氣DH-Ⅲ打滑檢測裝置 一、概述: DH—Ⅲ型打" />
產品型號:DH-III
卓信電氣DH-Ⅲ打滑檢測裝置
一、 概述:
DH—Ⅲ型打滑(速度)檢測器是我公司在采用速度繼電器的基礎上,改進研制的帶式輸送機失速保護裝置.該裝置的核心器件采用微型計算機芯片,是一種技術含量很高,功耗特低的智能檢測器。它對能對膠帶機工作過程中膠帶速是否正常,進行準確的監控,它比以前的打滑檢測器更加穩定、可靠。
二、主要用途:
用于檢測帶式輸送機在運行中出現的膠帶與從動滾筒之間打滑,打滑開關:DH-3、DH-III、XT-SS-ID、XT-SS-1、XLDH-II、JDK-1、QDH-III、DH03E-1-W、SJK-1、SWEB001-2S/K、 BDH-III、MSD-3、DH02E-1-W、YHSJ-J、XT-SS-II、DH-LLI、GHLL-II、JDK-2、YHDH-2、XLDH-I、DH-II、SJK-01、YB/RDC-B、RH60-JC、YHSJ-II、YHSJ-I、XD-SS-II、XL-SJ-I、JYB-RDC-C、DH03E-1-W、ZXDH-III、XTD-SH、DH-I、SMS-PXK-B1、DH01E-1-W、XDH-HL、XLDH-F-S、SMS-PXK-BI、DHJY-II、SJK-I、QDH-II、KBJ-220Y、DH-1、DH02E-1-TH、DH-LLI、KGS-II、KGS-12S、DH-2、JYB/RDC-C、9SFAB-3HD、DH01E-1-TH、EXDH-III、XT-SS-1D、RH60-JC(DH-X、DH-F2、DH-SJ)、XT-SS-III、HQSK600/10,打滑開關:DH-3、DH-III、XT-SS-ID、XT-SS-1、XLDH-II、JDK-1、QDH-III、DH03E-1-W、SJK-1、SWEB001-2S/K、 BDH-III、MSD-3、DH02E-1-W、YHSJ-J、XT-SS-II、DH-LLI、GHLL-II、JDK-2、YHDH-2、XLDH-I、DH-II、SJK-01、YB/RDC-B、RH60-JC、YHSJ-II、YHSJ-I、XD-SS-II、XL-SJ-I、JYB-RDC-C、DH03E-1-W、ZXDH-III、XTD-SH、DH-I、SMS-PXK-B1、DH01E-1-W、XDH-HL、XLDH-F-S、SMS-PXK-BI、DHJY-II、SJK-I、QDH-II、KBJ-220Y、DH-1、DH02E-1-TH、DH-LLI、KGS-II、KGS-12S、DH-2、JYB/RDC-C、9SFAB-3HD、DH01E-1-TH、EXDH-III、XT-SS-1D、RH60-JC(DH-X、DH-F2、DH-SJ)、XT-SS-III、HQSK600/10,防止打滑所造成的惡性事故。
三、 主要技術指標:
檢測速度范圍
接點容量
傳感器和膠帶速度誤差
打滑率設定范圍
0.1~9.9米/秒
AC220V 10A
﹤0.01%
20-30%

四、工作原理:
檢測器通過觸輪與膠帶緊密的接觸,當觸輪和運動的膠帶以線速度運動時,本裝置內部檢測傳感器由紅外線收發光源不斷遮擋,輸出脈沖信號,產品名稱:打滑檢測器,打滑開關,皮帶機專用打滑開關,輸送帶速度檢測器可用于DH02E-1-WW輸送皮帶運行速度的監測,當被監測的運輸皮帶的運行速度低于預先設定值時,它能發出報警或停機信號,可有效地避免事故的發生和擴大。打滑開關可應用于冶金、煤炭、礦山、水泥、電力、糧食等行業的皮帶運輸機中,是物料輸送系統中實現自動控制所不可缺少的監控裝置。,由光電隔離后進入計數單元,同時又反映膠帶的實際帶速。膠帶的運動信息通過紅外線光電傳感器輸入單片機脈沖信號,單片機接到信息后進行運算判斷處理,打滑開關HQZS-001SPT/D工作原理盤隨膠帶運行而旋轉時,傳感器的磁感應信號輸入到控制電路中去,經放大、整形后進行計數。其計數值與預置數比較,判斷膠帶機的帶速,即:正常速度、打滑或超速等。同時,執行電路輸出相應的開關信號。當觸輪隨膠帶機運行而旋轉時帶動機內的脈沖盤,在脈沖盤旋轉時引起的磁感應信號的變化輸入到速度傳感器的控制電路中,經電路放大、比較、整形后進行計數。其計數值與預置數比較,判斷膠帶的帶速,同時執行電路輸出相應的開關信號。既:在達到低于打滑速度時執行電路輸出相應的開關信號,使主機停機。,對運行的膠帶失速情況進行監控,當運行的膠帶速度低于正常速度的20-30%,發出一開關信號,用戶可利用這一開關信號在自己的控制網絡實現失速停機,防止由膠帶打滑而造成的生產事故。
DH-III型打滑(速度)檢測器設定裝置是采用8421撥碼開關設定帶速值以及打滑極限。整體結構可以安裝在膠帶機的任意位置,具有觸輪與膠帶無磨損、反映速度快、精度高、誤差小、安裝調整方便等特點。
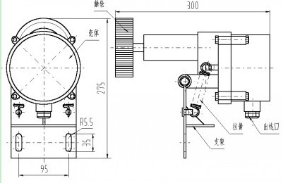
五、 外型結構:
DH—Ⅲ型打滑(速度)檢測器主要有觸輪、傳動腔、連接體、后腔、支架等組成。

打滑開關SMS-T3、DH03E-1-W、DH01E-1-W
打滑檢測裝置DH02E-1-W、DH03E-1-TH 、DH01E-1-TH
速度打滑開關DH02E-1-TH、XT-SS-1D、XDH-HL
皮帶打滑開關YHSJ-II、DH02E-1-WW、XTD-SH、JYB/RDC-B
DH-Ⅲ打滑檢測器、打滑開關、打滑檢測裝置
Copyright © 山東卓信機械有限公司 版權所有 魯ICP備12019670號
全國服務電話:0537-2839666 傳真:0537-2228358 百度地圖 打滑開關
公司地址:山東省濟寧高新經濟技術開發區 音叉開關