打滑檢測儀 發布時間:2019-10-10 已獲點擊:31 詳細說明 打滑檢測儀SBNDH-1230ZM 打滑檢測儀SBNDH-1230ZM用于檢測" />

產品型號:SBNDH-1230ZM
打滑檢測儀SBNDH-1230ZM
打滑檢測儀SBNDH-1230ZM用于檢測帶式輸送機在運行中出現的膠帶與主滾筒之間的打滑,防止打滑所造成的惡性事故,該產品還適用于多條膠帶機聯鎖或停機。

產品概述:
數字式速度檢測儀適用于檢測帶式輸送機在運行中出現的膠帶與主滾筒之間的打滑,防止打滑所造成的惡性事故,該產品還適用于多條膠帶機聯鎖或停機。
1)本產品由傳感頭和控制箱組成
控制箱內由電路板、面板、顯示器、微觸開關及接線端子組成。
2)具有一臺控制箱可檢測兩條膠帶的速度。
注:需另外購買一個傳感頭才能實現此功能
3)如用一路檢測回路可將端子8和11短接,來實現兩路輸出。
本產品在工作過程中,剛接通電源時,延時10秒工作指示燈1和2均亮繼電器不動作,延時之后通過兩路光電傳感器檢測帶速信號,然后輸入控制箱內,經微電腦(CPU)顯示并計算得出實際的帶速送顯示器,同時與預置帶速進行比較,當帶速低于設定值,控制器顯示帶速,并使相對應的繼電器發出信號,同時對應的指示燈(紅色)亮,說明皮帶打滑;反之,當實際帶速高于設定值時,控制器進入正常工作,對應指示燈(綠色)亮。繼電器釋放。兩路輸入,輸出為相互獨立工作。
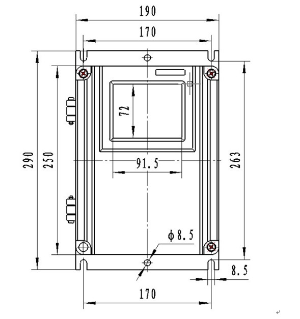
打滑檢測儀SBNDH-1230ZM外形尺寸:
打滑檢測儀SBNDH-1230ZM安裝使用:
控制器上電時,進入正常工作狀態。當按下編程健時,進入編程狀態,
此時面板左側一路指示燈顯示低位閃動,此為進入修改狀態,
按下↑鍵修改該位置,按下←閃動位左移一位,
移動過程為循環移位,修改值為0→9循環加。
修改完成后必須按編程鍵,非接觸欠速(打滑)開關是一種經濟、可靠性強、對軸轉速及其它旋轉裝置簡單通用的監測裝置。當監測到當前轉速信號低于或高于正常轉速范圍開關輸出一組開關信號,以供報警或停機。外殼采用防水防塵設計可直接安裝在惡劣環境中使用。非接觸接近探測器,壽命長、維護費用低,兩螺栓固定,確保安裝簡單,一體化結構,集中的控制裝置,設定或故障檢修簡單,無運動部件、無磨損、安全壽命長。,此值被微電腦記憶,同時進入另一路設定值的修改。
在編程狀態下按下選擇鍵進入正常工作狀態。
在正常工作狀態下,打滑檢測器安裝使用與接線安裝時,可按下述要求并滿足現場使用條件安裝在帶式運輸機上膠帶的下面,安裝后應保證膠帶有料情況下使打滑檢測器與膠帶面平行,同時膠帶無料運轉時檢測器觸輪與膠帶面應可靠接觸,且安裝位置保證在振動最小和膠帶抖動最小的地方。打滑開關當采用檢測器輸出軸和從動滾筒軸連接檢測膠帶實際帶速的方法時,可按安裝示意圖并選用柔性連軸器以保證產品工作正常。打滑開關使用時只要將產品按安裝示意圖安裝在相應的位置上即可,我廠提供的產品均是按用戶訂貨時提出的要求生產制造的。打滑開關由于理論上的帶速和實際膠帶運行速度有差異,用戶屆時可按我廠提供調整辦法適當的調整以切實適合正常工作狀態。比較、整形后進行計數。其計數值與預置數比較,判斷膠帶的帶速,同時執行電路輸出相應的開關信號。既:在達到低于打滑速度時執行電路輸出相應的開關信號,使主機停機。,按下選擇鍵,則為顯示另一路帶速的顯示。
設備供電應與皮帶機同步。設備通電后八秒內如檢測不到一個信號示為打滑,
反之檢測到一個信號進入正常啟動程序自適應。
當帶速大于設定值時進入正常工作狀態。
如須長期帶電,應在皮帶啟動時在程控室屏蔽設備觸點。
1)為保證檢測器的可靠工作,檢測器在接電時控制器只顯示帶速,不作任何處理,
當皮帶運行到正常帶速時開始工作既延時工作。所以不要接電后就檢測。
2)檢測器內部檢測及控制線路全部采用集成電路,從而大大提高了檢測器的檢測精度
及可靠性,但是在使用中必須在技術參數內工作。
3)要定期檢查傳感頭的安裝螺絲釘,不得有松動現象。
4)傳感頭與控制箱的連接要可靠。
5)檢測器在使用中如果出現故障,不要擅自打開,打滑開關:DH-3、DH-III、XT-SS-ID、XT-SS-1、XLDH-II、JDK-1、QDH-III、DH03E-1-W、SJK-1、SWEB001-2S/K、 BDH-III、MSD-3、DH02E-1-W、YHSJ-J、XT-SS-II、DH-LLI、GHLL-II、JDK-2、YHDH-2、XLDH-I、DH-II、SJK-01、YB/RDC-B、RH60-JC、YHSJ-II、YHSJ-I、XD-SS-II、XL-SJ-I、JYB-RDC-C、DH03E-1-W、ZXDH-III、XTD-SH、DH-I、SMS-PXK-B1、DH01E-1-W、XDH-HL、XLDH-F-S、SMS-PXK-BI、DHJY-II、SJK-I、QDH-II、KBJ-220Y、DH-1、DH02E-1-TH、DH-LLI、KGS-II、KGS-12S、DH-2、JYB/RDC-C、9SFAB-3HD、DH01E-1-TH、EXDH-III、XT-SS-1D、RH60-JC(DH-X、DH-F2、DH-SJ)、XT-SS-III、HQSK600/10,及時與廠家聯系協商解決。
可配合DH-Ⅰ/DH-II /DH-Ⅲ 打滑開關使用
本產品的控制箱應安裝在膠帶機機架上或距監測頭較近的墻壁上(不能大于100米)。傳感頭安裝在膠帶機下皮帶上面且皮帶運行比較平穩處。傳感頭安裝有兩種方式:一種是將傳感頭焊裝在膠帶機托輥支架橫梁下面。另一種用戶自選一角鋼(40×40以上)做橫梁,在角鋼中間出打兩孔φ16孔間距見膠帶機托輥之間距,將此角鋼固定在托輥支架螺栓上即可。
智能打滑檢測器SBNDH-1230JM
智能打滑檢測裝置SBNDH-ZN/LED
SBNLP-II料流檢測裝置
SBNPB-1230兩級跑偏開關
SBNLS-II雙向拉繩開關SBNLS-2
SNG1-W140PZ接近開關SBN1-DM6002LAN
,產品名稱:打滑檢測器,打滑開關,皮帶機專用打滑開關,輸送帶速度檢測器可用于DH02E-1-WW輸送皮帶運行速度的監測,當被監測的運輸皮帶的運行速度低于預先設定值時,它能發出報警或停機信號,可有效地避免事故的發生和擴大。打滑開關可應用于冶金、煤炭、礦山、水泥、電力、糧食等行業的皮帶運輸機中,是物料輸送系統中實現自動控制所不可缺少的監控裝置。
Copyright © 山東卓信機械有限公司 版權所有 魯ICP備12019670號
全國服務電話:0537-2839666 傳真:0537-2228358 百度地圖 打滑開關
公司地址:山東省濟寧高新經濟技術開發區 音叉開關